EasyManua.ls Logo

Topcon SL-D4 - System Configuration

Topcon SL-D4
54 pages
Print Icon
To Next Page IconTo Next Page
To Next Page IconTo Next Page
To Previous Page IconTo Previous Page
To Previous Page IconTo Previous Page
Loading...
48
SPECIFICATIONS AND PERFORMANCE
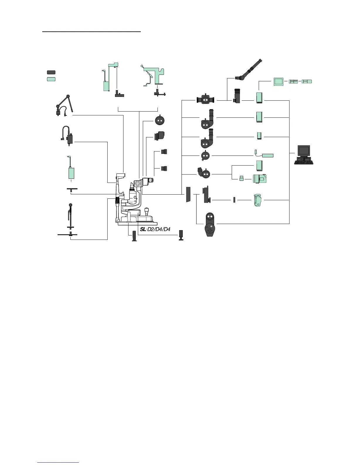
SYSTEM CONFIGURATION
Video Camera
1/2 C Mount
Camera
1/3 C Mount
Camera
1/2 C Mount
Camera
1/2 Screw
Mount Camera
TV
Relay Lens
Beam Splitter
Monitor
Still Video
Recorder
Printer
IMAGEnet 2000
Still Camera
Attachment
SR-53
NIKON
COOLPIX Series
(Adapter Lens)
FUJI FINEPIX
S-Pro Series
Observation
Tube
Tonometer mount
SO-TM1(SL-D2,D4)
SO-TM3(SL-D4Z)
Tonometer mount
SO-TM2(SL-D2,D4)
SO-TM4(SL-D4Z)
12.5x eyepiece lens
with measuring scale
20x eyepiece lens
Auxiliary spring
SO-AS 0, 1, 2, 3
Parallel view eyepiece
PB-2
SL-D2/SL-D4/SL-D4Z System Chart
Digital Camera Unit DC-1
Patient grip PG-1
Mount SO-CMNF
for NIKON
Adapt Cover
SO-AC3, 4, 5
TV Relay Lens
TL-54
TV Relay Lens
TL-55
TV Attachment
TL-57
TV Attachment
TL-56
Applanation Tonometer
870 type
Fixation
Target
Applanation Tonometer
R900 type
Background Illumination
BG2-GN
Applanation Tonometer T900 type
Tonometer guide plate for T900 type
Hruby lens
Optional accessories
Marketed accessories
Z
Yellow Filter Unit

Related product manuals