EasyManua.ls Logo

Toro 30607 - Cutting Deck Circuit Pressure; Pressure

Toro 30607
374 pages
Print Icon
To Next Page IconTo Next Page
To Next Page IconTo Next Page
To Previous Page IconTo Previous Page
To Previous Page IconTo Previous Page
Loading...
Groundsmaster 4000--D/4010--DHydraulic System Page 4 -- 54
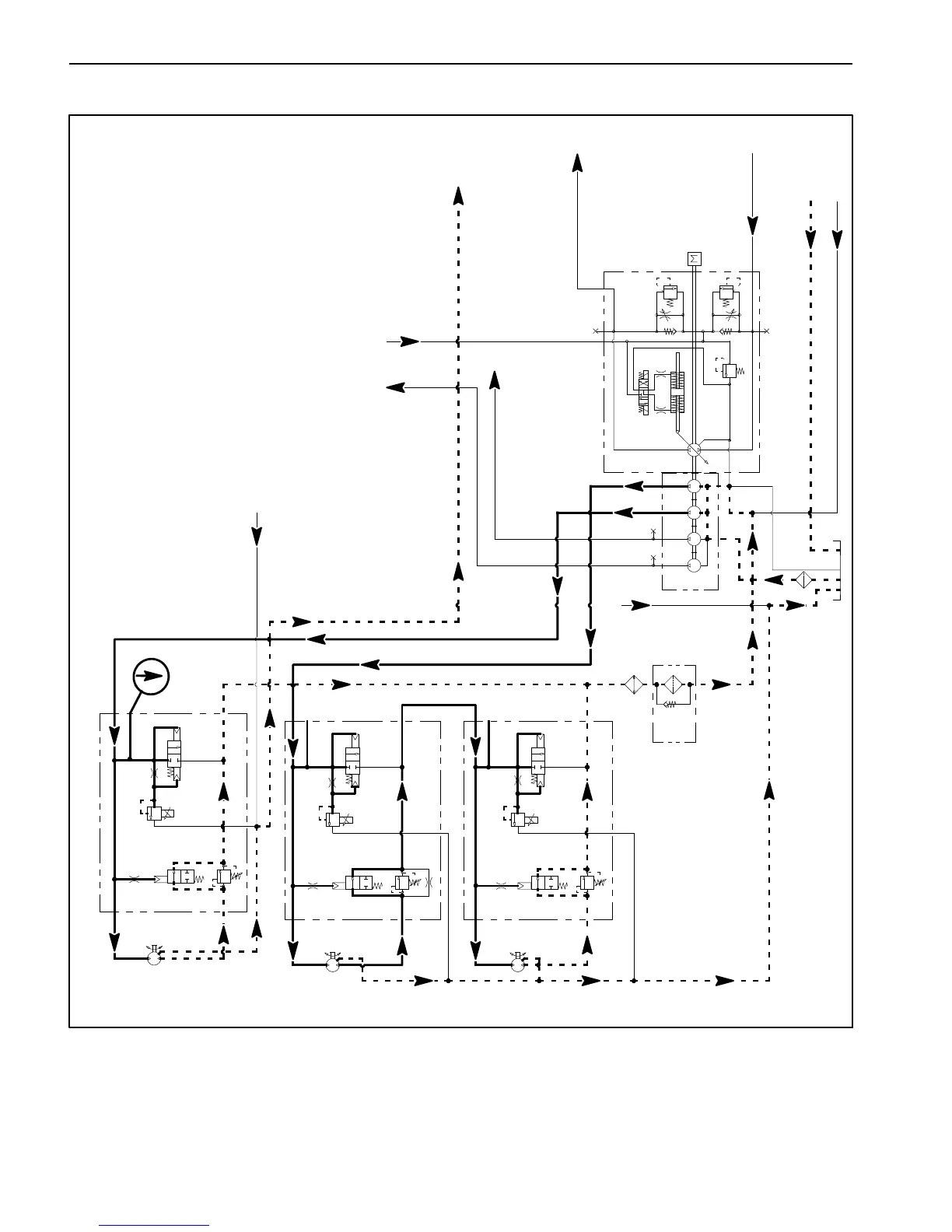
Cutting Deck Circuit Pressure (Using Pressure Gau ge)
FRONT DECK CIRCUIT PRESSURE TEST SHOWN
PRESSURE
GAUGE
3.3 GPM
14.3 GPM
14.3 GPM
1.17 CID
3000 PSI
P1
P1
P1
P2
P2
P2
M1
M2
LC1
PRV
PD
CD
RV
2000 PSI
M1
M2
LC1
PRV
PD
RV
3000 PSI
M1
M2
LC1
PRV
PD
RV
CD
CD
LEFT DECK
CENTER DECK
RIGHT DECK
50 PSI
1.17 CID
1.17 CID
250 PSI
600 PSI
600 PSI
600 PSI
4350 PSI
5000 PSI
.025
.025
.025
.0315
.0315
0.4
CID
0.3 1.29 1.29
CID CID CID
2.75
CID
ENGINE
30.5
GPM
G
GG
G
G
CONTROL VALVE
FROM STEERING
TO COMBINATION MANIFOLD
TO
COMBINATION
MANIFOLD
FROM
COMBINATION
MANIFOLD
TO FRONT
TRACTION
MANIFOLD
TO RESERVOIR
FROM MANIFOLD
AND FAN MOTOR
FROM REAR
TRACTION
MANIFOLD
FROM CENTER
DECK MANIFOLD
FROM REAR AXLE MOTOR
G
G

Table of Contents

Other manuals for Toro 30607

Related product manuals