EasyManua.ls Logo

Toro 30607 - Cutting Deck Motor Case Drain Leakage; Hydraulic System

Toro 30607
374 pages
Print Icon
To Next Page IconTo Next Page
To Next Page IconTo Next Page
To Previous Page IconTo Previous Page
To Previous Page IconTo Previous Page
Loading...
Groundsmaster 4000--D/4010--DHydraulic System Page 4 -- 58
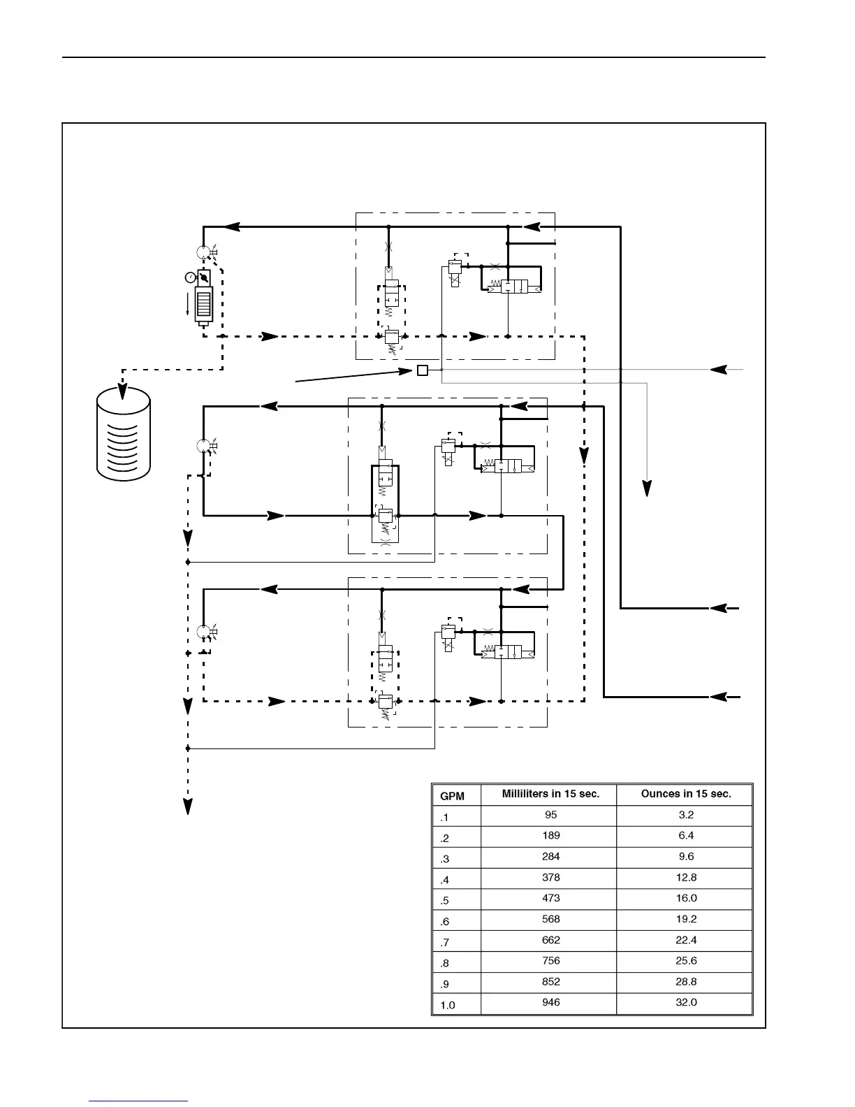
Cutting Deck Motor Case Drain Leakage (Using Tester with Pressure Gauge and Flow
Meter)
CENTER CUTTING DECK MOTOR
CASE DRAIN LEAKAGE TEST SHOWN
1.17 CID
3000 PSI
P1
P1
P2
P2
M1
M2
LC1
PRV
PD
CD
RV
2000 PSI
M1
M2
LC1
PRV
PD
RV
3000 PSI
M1
M2
LC1
PRV
PD
RV
CD
CD
LEFT DECK
CENTER DECK
RIGHT DECK
1.17 CID
1.17 CID
600 PSI
600 PSI
600 PSI
.025
.025
.025
G
G
CONTROL VALVE
FROM STEERING
TO RESERVOIR
TESTER
TO RESERVOIR
FROM SECOND
GEAR PUMP SECTION
FROM FRONT
GEAR PUMP SECTION
MEASURING
CONTAINER
CAP
G

Table of Contents

Other manuals for Toro 30607

Related product manuals