EasyManua.ls Logo

Toro 30607 - International Light Kits

Toro 30607
374 pages
Print Icon
To Next Page IconTo Next Page
To Next Page IconTo Next Page
To Previous Page IconTo Previous Page
To Previous Page IconTo Previous Page
Loading...
Page 10 -- 7
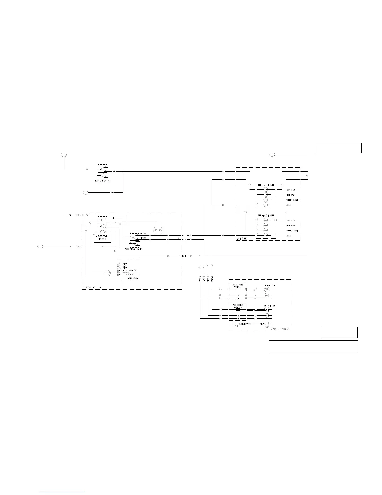
Electrical Schematic
Groundsmaster 4010--D
All relays and solenoids
are shown as de--energized.
All ground wires are black.
International Light Kits
2
3
4
5
PLATFORM
WIRE HARNESS
FROM OPERA TOR
PLATFORM
WIRE HARNESS
TO OPERATOR
TO CAB
WIRE HARNESS
PLATFORM
WIRE HARNESS
TO OPERATOR
SCHEMATIC FOR THE APPROPRIATE MODEL NUMBER WHICH IS ON A SEPARATE PAGE.
WHEN A WIRE FROM THIS CAB SCHEMATIC CONTINUES TO THE MACHINE SCHEMATIC,
NOTE: THE OPERATOR CAB SCHEMATIC SHOULD BE USED WITH THE ELECTRICAL
A REFERENCE NUMBER WILL BE LISTED.
WIRE COLOR ABBREVIATIONS.
NOTE: REFER TO ELECTRICAL DRAWING
DESIGNATIONS IN THIS CHAPTER FOR

Table of Contents

Other manuals for Toro 30607

Related product manuals