EasyManua.ls Logo

Toro 30607 - Operator Platform

Toro 30607
374 pages
Print Icon
To Next Page IconTo Next Page
To Next Page IconTo Next Page
To Previous Page IconTo Previous Page
To Previous Page IconTo Previous Page
Loading...
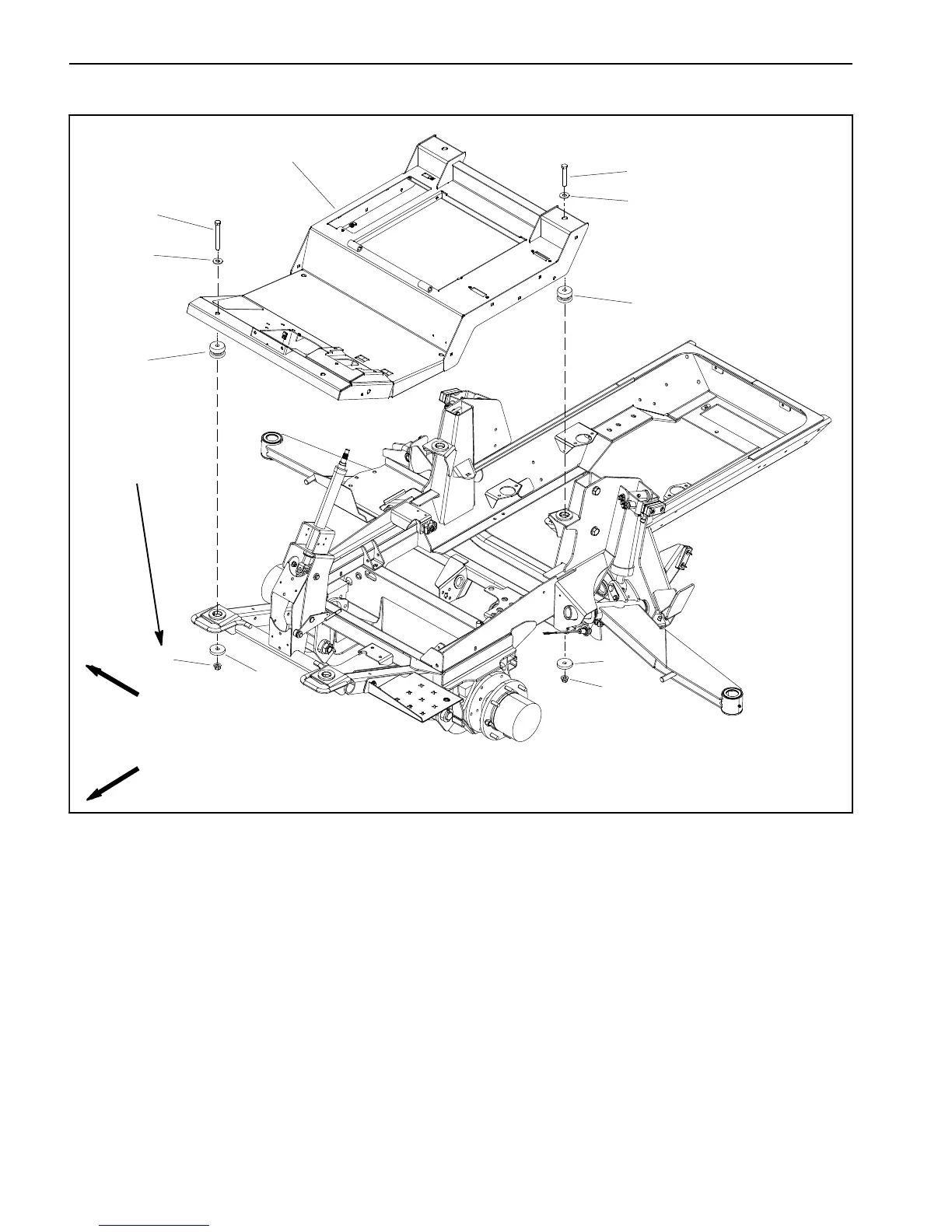
Groundsmaster 4000--D/4010--DPage 7 -- 20Chassis
Operator Platform
1. Operator platform
2. Cap screw (2 used)
3. Flat washer (4 used)
4. Center mount (4 used)
5. Plain washer (4 used)
6. Lock nut (4 used)
7. Cap screw (2 used)
Figure 19
FRONT
RIGHT
3
2
1
4
5
6
7
3
4
5
6
95 to 115 ft--lb
(129 to 155 N--m)

Table of Contents

Other manuals for Toro 30607

Related product manuals