EasyManua.ls Logo

Toro 30607 - Page 144

Toro 30607
374 pages
Print Icon
To Next Page IconTo Next Page
To Next Page IconTo Next Page
To Previous Page IconTo Previous Page
To Previous Page IconTo Previous Page
Loading...
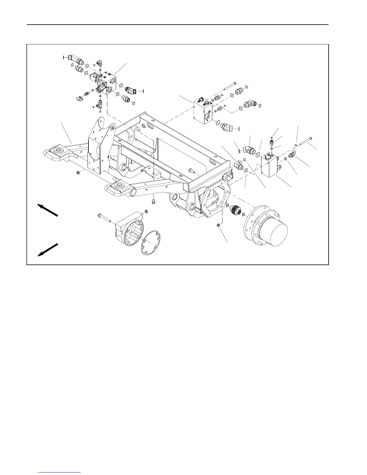
Groundsmaster 4000--D/4010--DHydraulic System Page 4 -- 98
Rear Traction Manifold
1. Front frame
2. PTO manifold (center deck)
3. Front traction manifold
4. Rear traction manifold
5. Cap screw (2 used)
6. Flange nut (2 used)
7. 90
o
hydraulic fitting
8. O--ring
9. 45
o
hydraulic fitting
10. O--ring
11. O-- ring
12. Straight fitting
13. O--ring
14. O--ring
15. 45
o
hydraulic fitting
16. O--ring
17. O--ring
18. O--ring
Figure 70
FRONT
RIGHT
2
3
6
8
9
10
11
13
1
5
7
12
14
15
16
17
18
4
NOTE: The ports on the rear traction manifold are
marked for easy identification of components. Example:
P2 is a piston pump connection port and RV is the loca-
tion for the relief valve (see Hydraulic Schematic in
Chapter 10 -- Foldout Drawings to identify the function
of the hydraulic lines and cartridge valves at each port).

Table of Contents

Other manuals for Toro 30607

Related product manuals