EasyManua.ls Logo

Toro 74855 - Schematics

Toro 74855
52 pages
Print Icon
To Next Page IconTo Next Page
To Next Page IconTo Next Page
To Previous Page IconTo Previous Page
To Previous Page IconTo Previous Page
Loading...
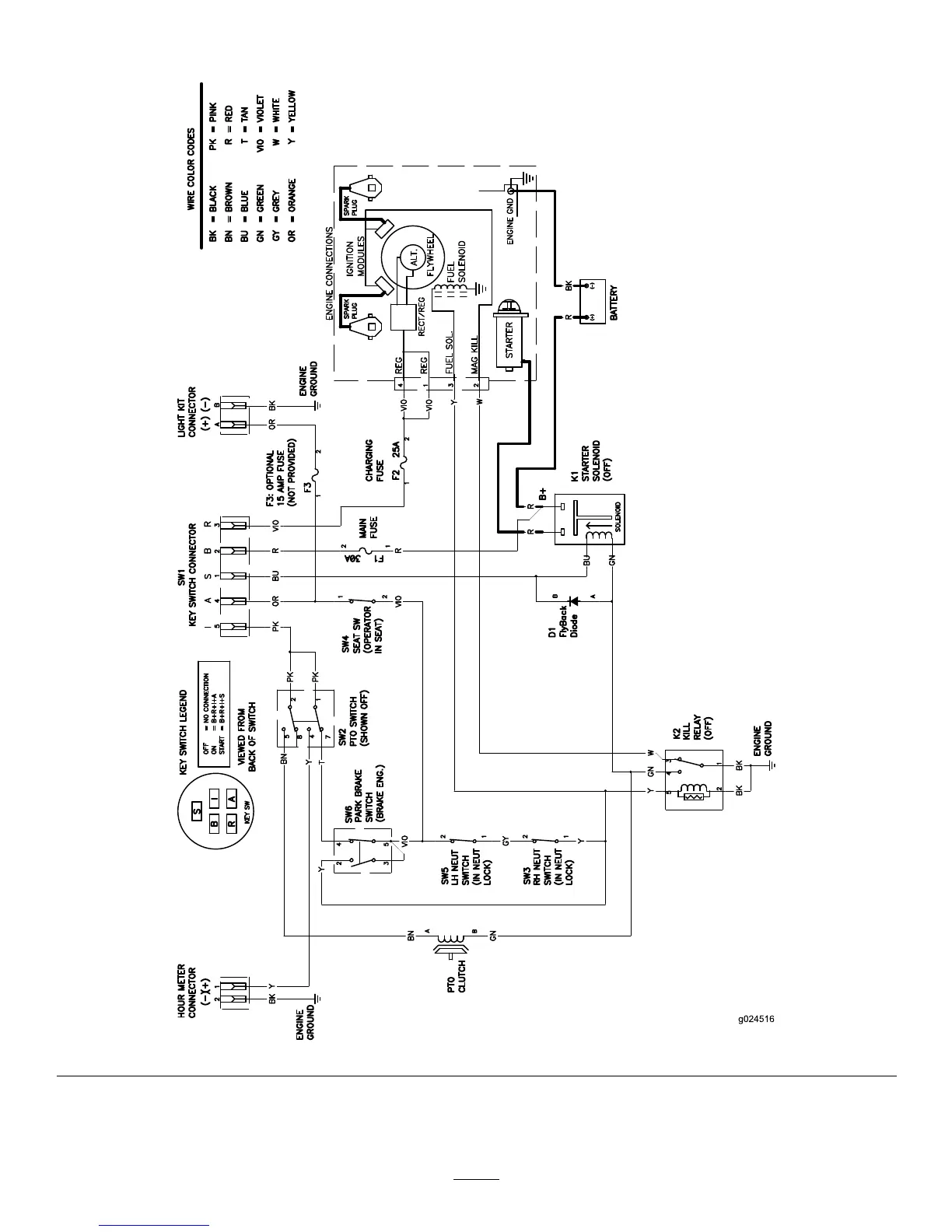
Schematics
WireDiagram(Rev.A)
51

Table of Contents

Related product manuals