EasyManua.ls Logo

Toro 75969TE - Page 76

Toro 75969TE
80 pages
Print Icon
To Next Page IconTo Next Page
To Next Page IconTo Next Page
To Previous Page IconTo Previous Page
To Previous Page IconTo Previous Page
Loading...
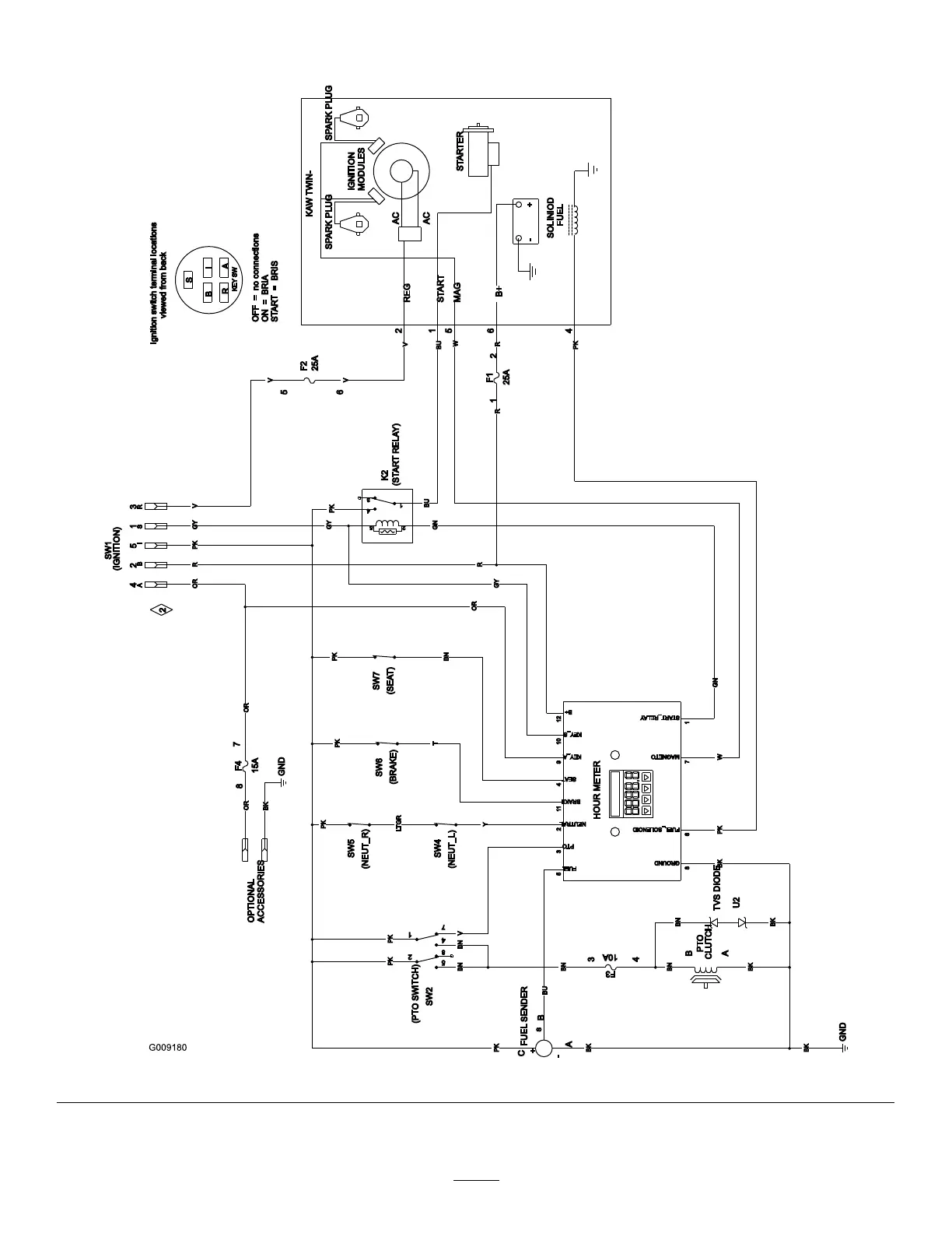
Schematics
g009180
WireDiagram(Rev.A)
76

Table of Contents

Related product manuals