EasyManua.ls Logo

Toro Reelmaster 3575-D - Page 47

Toro Reelmaster 3575-D
338 pages
To Next Page IconTo Next Page
To Next Page IconTo Next Page
To Previous Page IconTo Previous Page
To Previous Page IconTo Previous Page
Loading...
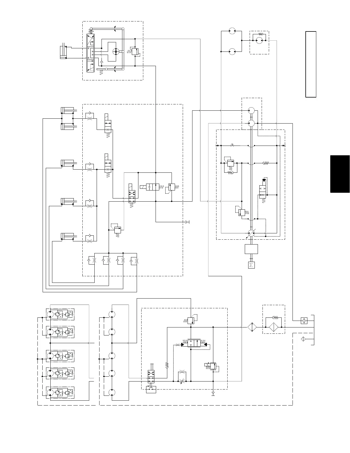
Reelmaster 3550−D/3555−D/3575−D Hydraulic SystemPage 4 − 15
Hydraulic Schematic
Reelmaster 3555−D/3575−D
All solenoids are shown as
de−energized
NOTE: A larger hydraulic schematic is included
in Chapter 8 − Foldout Drawings.
.33 CID.58 CID
500 psi
3500 PSI
12.0 CID12.0 CID
24.7 CID
2000 PSI
LIFT CYLINDER #1
ROD: 0.625”
EXTEND TO
LOW ER
BAC KLAP
SW ITCH
(SW )
REEL
MOTOR #4
OR2
.020”
OR1
.050”
LC
FC
PR V
MV
T
M1
C1
P
C4
G
GP
M2
T
C5
RV2
S2
S4S3
S1
PT
L
R
3.9 GPM
6.9 GPM
BREATHER
G2
G1
C2
MOWER CONTROL MANIFOLD
LIFT CONTROL MANIFOLD
200−300 psi
REEL
MOTOR #1
REEL
MOTOR #5
REEL
MOTOR #2
REEL
MOTOR #3
CV1
25 psi
C2
C3 C7
C6
C8
3000 PSI
1500 psi
M3
LIFT CYLINDER #4
ROD: 0.625”
EXTEND TO
LOW ER
LIFT CYLINDER #3
BOR E: 1.50”
STROKE: 2.25”
ROD: 0.625”
EXTEND TO
LOW ER
LIFT CYLINDER #2
ROD: 0.625”
EXTEND TO
LOW ER
LIFT CYLINDER #5
BORE: 1.50”
ROD: 0.625”
EXTEND TO
LOW ER
.046”
.046”
.055”
.046”
.040” .040” .040”
.035”
STEERING CYLINDER
BORE: 2.00”
STROKE: 3.76”
ROD: 0.625”
EXTEND TO TURN LEFT
STEERING UNIT
ENGINE RATED
SPEED 3000 RPM
100−150 psi
TOW
VALVE
1: 0.96
17.1 GPM
1.44 CID
FORWARD
REVERSE
REAR
MOTOR
FRONT
MOTORS
1000 PSI
6.1 CID
OIL FILTER
OIL COOLER
RV1
RV
P1
P2
RM 3555−D REEL MOTOR DISPLACEMENT = 0.73 IN
3
/REV
REEL
MOTOR #4
REEL
MOTOR #1
REEL
MOTOR #5
REEL
MOTOR #2
REEL
MOTOR #3
RM 3575−D REEL MOTOR DISPLACEMENT = 0.97 IN
3
/REV
M1 M2
M3
Hydraulic
System

Table of Contents

Related product manuals