EasyManua.ls Logo

Toro Reelmaster 3575-D - Steering Circuit

Toro Reelmaster 3575-D
338 pages
To Next Page IconTo Next Page
To Next Page IconTo Next Page
To Previous Page IconTo Previous Page
To Previous Page IconTo Previous Page
Loading...
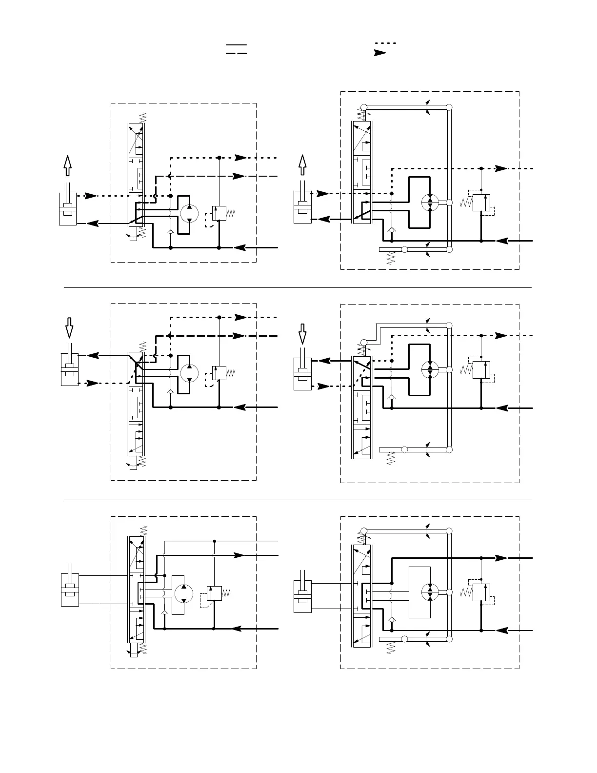
Reelmaster 3550−D/3555−D/3575−DHydraulic System Page 4 − 26
Steering Circuit
Working Pressure
Low Pressure (Charge)
Return or Suction
Flow
6.1 CID
1000 psi
TEP
LR
STEERING CYLINDER
BORE: 2 .00”
STROKE: 3.76”
ROD: 0.625”
EXTEND TO TURN LEFT
STEERING UNIT
6.1
1000 PSI
P
L
ET
R
STEERING CYLINDER
BORE: 2 .00”
STROKE: 3.76”
ROD: 0.625”
EXTEND TO TURN LEFT
STEERING UNIT
6.1
1000 PSI
P
L
ET
R
STEERING CYLINDER
BORE: 2 .00”
STROKE: 3.76”
ROD: 0.625”
EXTEND TO TURN LEFT
STEERING UNIT
LEFT TURNRIGHT TURNNEUTRAL STEERING
REELMASTER 3550−D REELMASTER 3555−D/3575−D
PT
LR
STEERING UNIT
1000 PSI
6.1 CID
STEERING CYLINDER
BORE: 2 .00”
STROKE: 3.76”
ROD: 0.625”
EXTEND TO TURN LEFT
PT
LR
STEERING UNIT
1000 PSI
6.1 CID
STEERING CYLINDER
BORE: 2 .00”
STROKE: 3.76”
ROD: 0.625”
EXTEND TO TURN LEFT
PT
LR
STEERING UNIT
1000 PSI
6.1 CID
STEERING CYLINDER
BORE: 2 .00”
STROKE: 3.76”
ROD: 0.625”
EXTEND TO TURN LEFT

Table of Contents

Related product manuals