EasyManua.ls Logo

Toro Reelmaster 3575-D - Hydraulic Schematics

Toro Reelmaster 3575-D
338 pages
Print Icon
To Next Page IconTo Next Page
To Next Page IconTo Next Page
To Previous Page IconTo Previous Page
To Previous Page IconTo Previous Page
Loading...
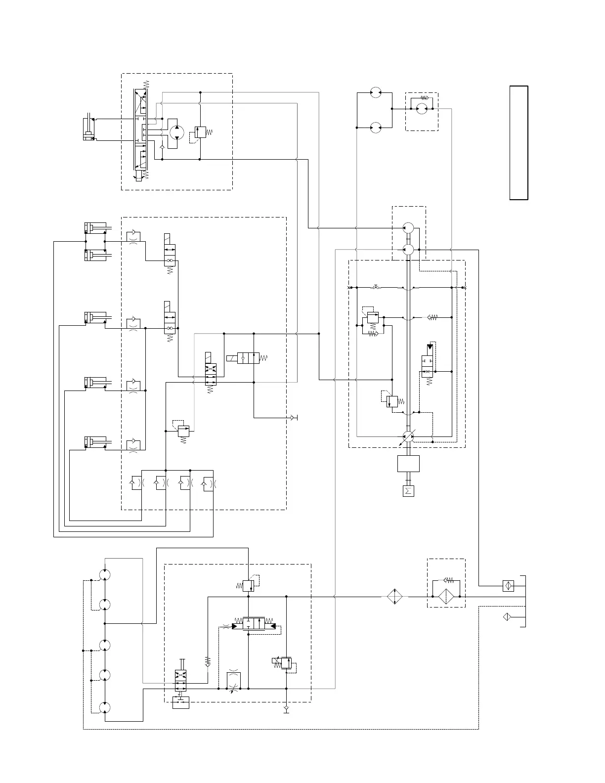
Reelmaster 3550−D/3555−D/3575−DHydraulic System Page 4 − 14
Hydraulic Schematics
Hydraulic Schematic
Reelmaster 3550−D
All solenoids are shown as
de−energized
NOTE: A larger hydraulic schematic is included
in Chapter 8 − Foldout Drawings.
.73 CID
.33 CID.58 CID
500 psi
3500 PSI
12.0 CID
12.0 CID
24.7 CID
6.1 CID
1000 psi
LIFT CYLINDER #1
BORE: 1.50”
STROKE: 2.2 5”
ROD: 0.625”
EXTEND TO RAISE
BA CK LAP
SW ITCH
(SW )
REEL
MOTOR #4
OR2
.020”
OR1
.050”
LC
FC
PRV
MV
T
M1
C1
P
C4
G
GP
M2
T
C5
RV1
S2
S4S3
S1
TEP
L R
3. 9 GPM
6. 9 GPM
BREATHER
G2
G1
C2
MOW ER CONTROL MANIFOLD
LIFT CONTROL MANIFOLD
200−300 psi
.73 CID
.73 CID
.73 CID .73 CID
REEL
MOTOR #1
REEL
MOTOR #5
REEL
MOTOR #2
REEL
MOTOR #3
CV1
25 psi
C2
C3 C7
C6
C8
1500 psi
M3
LIFT CYLINDER #4
BORE: 1.50”
STROKE: 2.33”
ROD: 0.625”
EXTEND TO RAISE
LIFT CYLINDER #3
BORE: 1 .50”
STROKE: 2.2 5”
ROD: 0.625”
EXTEND TO RAISE
LIFT CYLINDER #2
BORE: 1.50”
STROKE: 2.25”
ROD: 0.625”
EXTEND TO RAISE
LIFT CYLINDER #5
BORE: 1 .50”
STROKE: 2.33”
ROD: 0.625”
EXTEND TO RAISE
.046”
.046”
.055”
.046”
530.040.040.040
.
STEERING CYLINDER
BORE: 2 .00”
STROKE: 3.76”
ROD: 0.625”
EXTEND TO TURN LEFT
STEERING UNIT
ENGINE RATED
SPEED 3 000 RPM
100−150 psi
TOW
V ALVE
1: 0.96
17.1 GPM
1.44 CID
FORWARD
REVERSE
REAR
MOTOR
FRONT
MOTORS
OIL FILTER
OIL COOLER
RV
P1
P2

Table of Contents

Related product manuals