EasyManua.ls Logo

Trane Technologies 17 Series - Page 33

Trane Technologies 17 Series
44 pages
Print Icon
To Next Page IconTo Next Page
To Next Page IconTo Next Page
To Previous Page IconTo Previous Page
To Previous Page IconTo Previous Page
Loading...
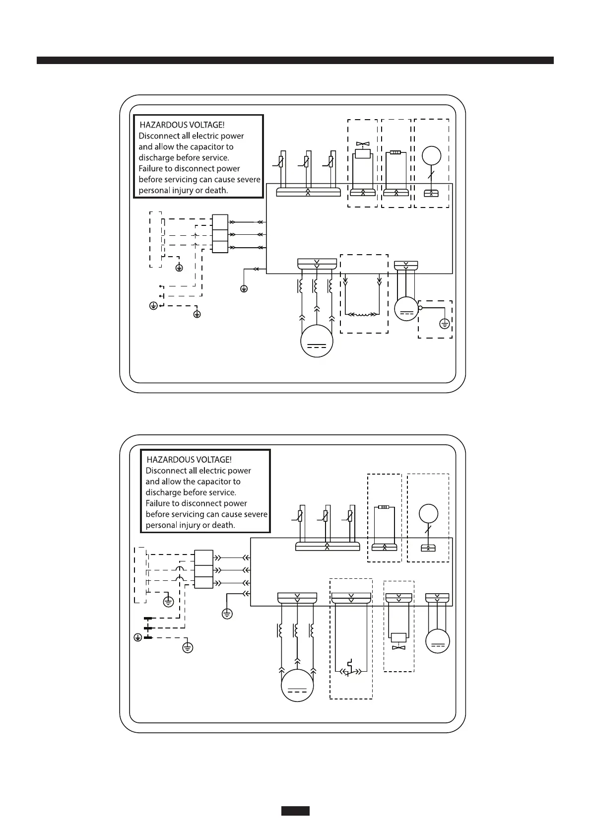
NOTE: The wiring diagrams in this guide are included as a reference. The manufacturer
has a policy of continuous product and product data improvement and reserves the
right to change design and specications without notice. Always check the unit
nameplate and wiring diagram for the actual unit requirements.
Outdoor Cooling and Heat Pump Unit 9K-12K
Outdoor Cooling and Heat Pump Unit 18K
INDOOR UNIT
OPTIONAL
OPTIONAL
OPTIONAL
OPTIONAL
OPTIONAL
VT
4WAY
VALVE
4-WAY
4YV
T-SEN
EXHAUST
TEMP.
OUTROOM
TEMP.
OUTTUBE
RT3
RT2
TEMP.
SENSOR
SENSOR
SENSOR
E
Main Board
AP:
15K
20K
50K
RT1
BK
L1
L2
(1)
2
(3)
BU
BK
BN
TERMINAL
XT
BLOCK
POWER
YEGN
G
N
COMU(COM-IN)
AC_L(AC-L)
HEAT-B
EH1
Bottom
Band
Heater
EKV
FA
ELECTRONIC
EXPANSION
VALVE
OFAN
FAN
M
MOTOR
COMP
COMP.
RD
YE
BU
U
V
W
MAGNETIC
RING
L1
L1L1
CN2
VT
(YE)
(YE)
L
REACTOR
OG
WH
LX1-2
LX1-1
WH(BU)
GN(YEGN)
BK(BN)
WH(BU)
RD(BN)
GN(YEGN)
G
G
YEGN
G
L1
L2
G
WH(BU)
BK
RD(BN)
GN(YEGN)
INDOOR UNIT
OPTIONAL
OPTIONAL
OPTIONAL
OPTIONAL
T-SENSOR
EXHAUST
TEMP.
OUTROOM
TEMP.
OUTTUBE
RT3
RT2
TEMP.
SENSOR
SENSOR
SENSOR
PRINTED CIRCUIT BOARD
AP1:
15K
20K
50K
RT1
L1(1)
2
BU
BK
BN
TERMINAL
XT
BLOCK
POWER
L2
L1
YEGN
OFAN
FAN
M
MOTOR
L2(3)
G
N
G
G
(T-SEN)
COM-INNER
AC-L
E
(COM-IN)
VT
VT
4WAY
VALVE
4-WAY
4YV
COMP
COMP.
YE
RD
U
V
W
BU
MAGNETIC
RING
L1
L1L1
CN2
HEAT-B
EH1
BOTTOM
BAND
HEATER
EKV
FA
ELECTRONIC
EXPANSION
VALVE
WH WH
GN(YEGN)
BK(BN)
WH(BU)
OVERLOAD
PROTECTOR
SAT
OVC-COMP
33
17 Series Mini-Split

Related product manuals