EasyManua.ls Logo

Trane 4TTX7 - Page 28

Trane 4TTX7
34 pages
Print Icon
To Next Page IconTo Next Page
To Next Page IconTo Next Page
To Previous Page IconTo Previous Page
To Previous Page IconTo Previous Page
Loading...
28 18-AC125D1-1A-EN
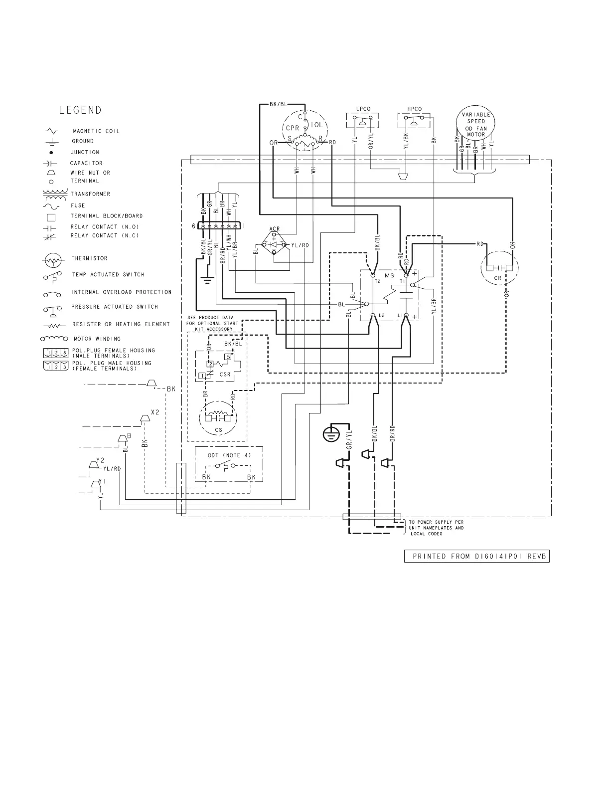
4 Ton Units

Related product manuals