EasyManua.ls Logo

Trane BCVC - Typical Wiring Diagrams: Two-Pipe BCXB with Tracer ZN510

Trane BCVC
72 pages
Print Icon
To Next Page IconTo Next Page
To Next Page IconTo Next Page
To Previous Page IconTo Previous Page
To Previous Page IconTo Previous Page
Loading...
58 BCXC-SVX01A-EN
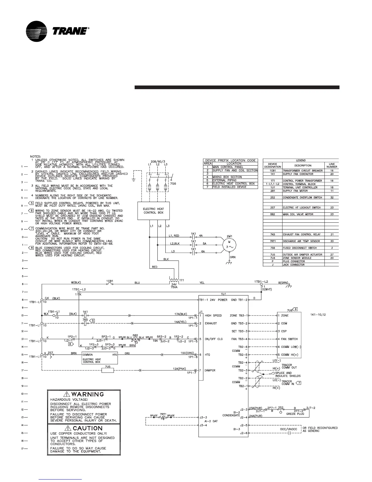
Typical Wiring
DiagramMaintenance
Two-Pipe BCXB with Tracer ZN510
• 208 volt/3 phase
• 2- position damper
• single stage electric heat
• 2-positon valve
•condensate overflow
•wall-mounted zone sensor

Table of Contents

Other manuals for Trane BCVC

Related product manuals