EasyManua.ls Logo

Trane BCVC - Typical Wiring Diagrams: Four-Pipe BCXB with Tracer ZN520

Trane BCVC
72 pages
Print Icon
To Next Page IconTo Next Page
To Next Page IconTo Next Page
To Previous Page IconTo Previous Page
To Previous Page IconTo Previous Page
Loading...
BCXC-SVX01A-EN 61
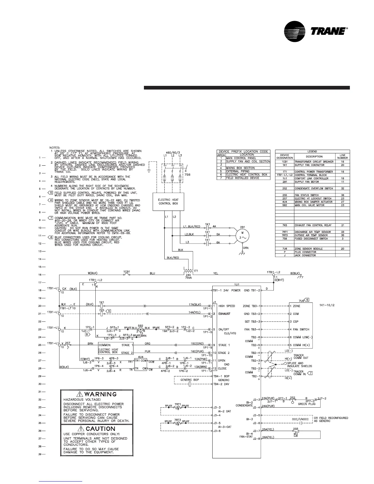
Typical Wiring
DiagramMaintenance
Two-Pipe BCXB with Tracer ZN520
• 460 volt/3 phase • fan status switch
• 2-position valve • condensate overflow
• economizer damper • wall-mounted zone sensor
• 2-stage electric heat

Table of Contents

Other manuals for Trane BCVC

Related product manuals