EasyManua.ls Logo

Trane CGWF SE - Page 27

Trane CGWF SE
71 pages
Print Icon
To Next Page IconTo Next Page
To Next Page IconTo Next Page
To Previous Page IconTo Previous Page
To Previous Page IconTo Previous Page
Loading...
Page 28
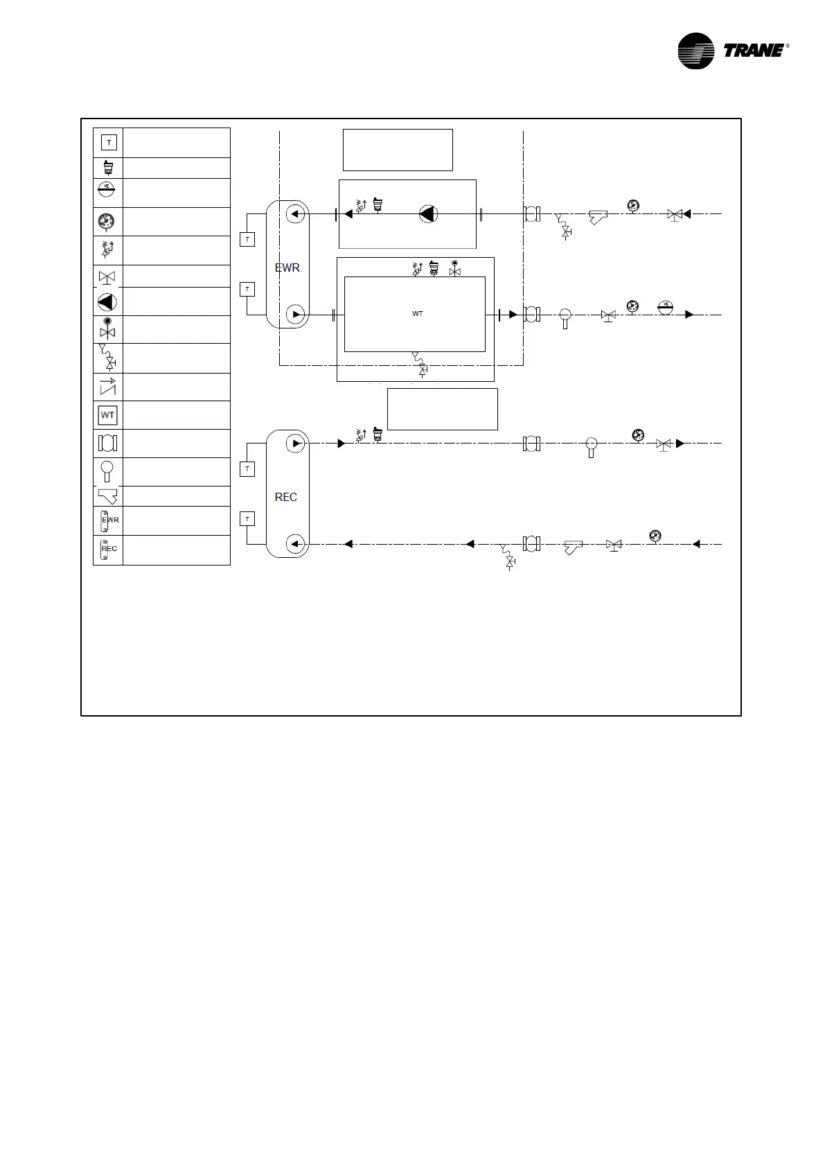
Figure 14
7.5.4
Hydraulic diagram for CGWF (SE and HE) - CXWF units and hydraulic modules with 1 pump with low or
high head and tank on user side; no pump no tank on source side.
Temperature
Probe drafted
Relief Valve
Expansion
Vessel
Gauges
Safety Valve (6
bar)
Shut Off Valve
Pump
Water Charge
Water
Discharge
Check Valve
Water Tank
Flexible joint
Flow Switch
Filter
User Heat
Exchanger
Source Heat
Exchanger
Remote Connections at
customer care
Plant side
Single pump
hydraulic kit
Water tank
hydraulic kit
REMARKS:
1
apply the flow switch in a straight pipe far from filters, valves, etc. with length at least 5 times the
diameter of pipe upstream and downstream the unit
2: the connection of the unit to the hydraulic modules is at customer care

Related product manuals