EasyManua.ls Logo

Trane EXHF - Tracer ZN510 460 V-60 Hz - 3 Ph Diagram

Trane EXHF
118 pages
Print Icon
To Next Page IconTo Next Page
To Next Page IconTo Next Page
To Previous Page IconTo Previous Page
To Previous Page IconTo Previous Page
Loading...
Wiring Diagrams
WSHP-SVX01L-EN 111
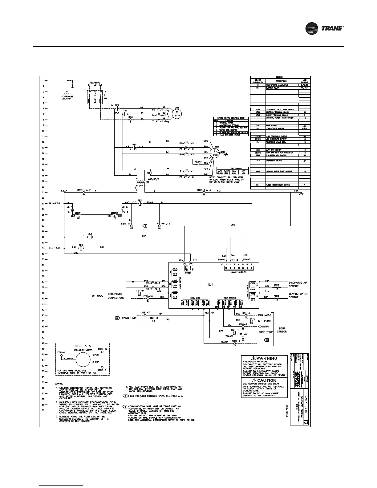
Figure 87. Tracer ZN510 460V-60 Hz - 3 ph
(a)
(a) Wiring diagrams provided in the catalog are generic. A unit specific As Built wiring diagram is located on the unit control panel.

Table of Contents

Related product manuals