EasyManua.ls Logo

Trane GECA -006 - Page 43

Trane GECA -006
46 pages
Print Icon
To Next Page IconTo Next Page
To Next Page IconTo Next Page
To Previous Page IconTo Previous Page
To Previous Page IconTo Previous Page
Loading...
GECA-SVX01B-EN 43
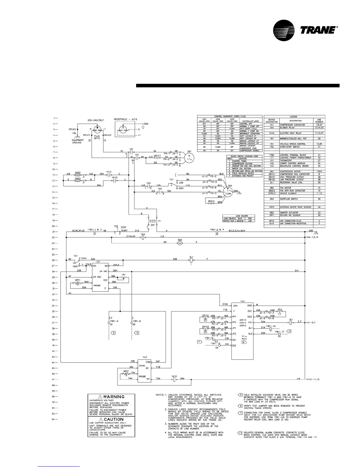
Unit Wiring
Deluxe
220-240V/50 HZ/1 PH

Related product manuals