EasyManua.ls Logo

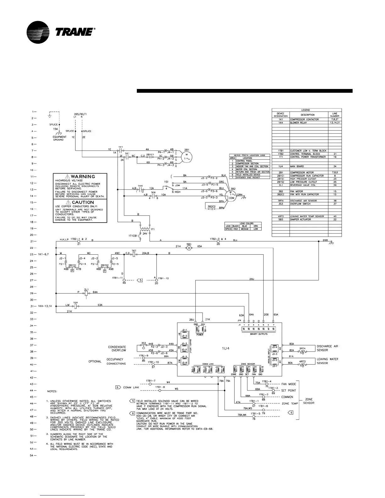
Trane GECA -006 - Unit Wiring - Tracer ZN510; 265 V;60 HZ;1 PH Tracer ZN510 Wiring Diagram

Trane GECA -006
46 pages
Print Icon
To Next Page IconTo Next Page
To Next Page IconTo Next Page
To Previous Page IconTo Previous Page
To Previous Page IconTo Previous Page
Loading...
44 GECA-SVX01B-EN
Unit Wiring
Tracer ZN510
265V/60 HZ/1 PH

Related product manuals