EasyManua.ls Logo

Trane GECA -006 - Page 45

Trane GECA -006
46 pages
Print Icon
To Next Page IconTo Next Page
To Next Page IconTo Next Page
To Previous Page IconTo Previous Page
To Previous Page IconTo Previous Page
Loading...
GECA-SVX01B-EN 45
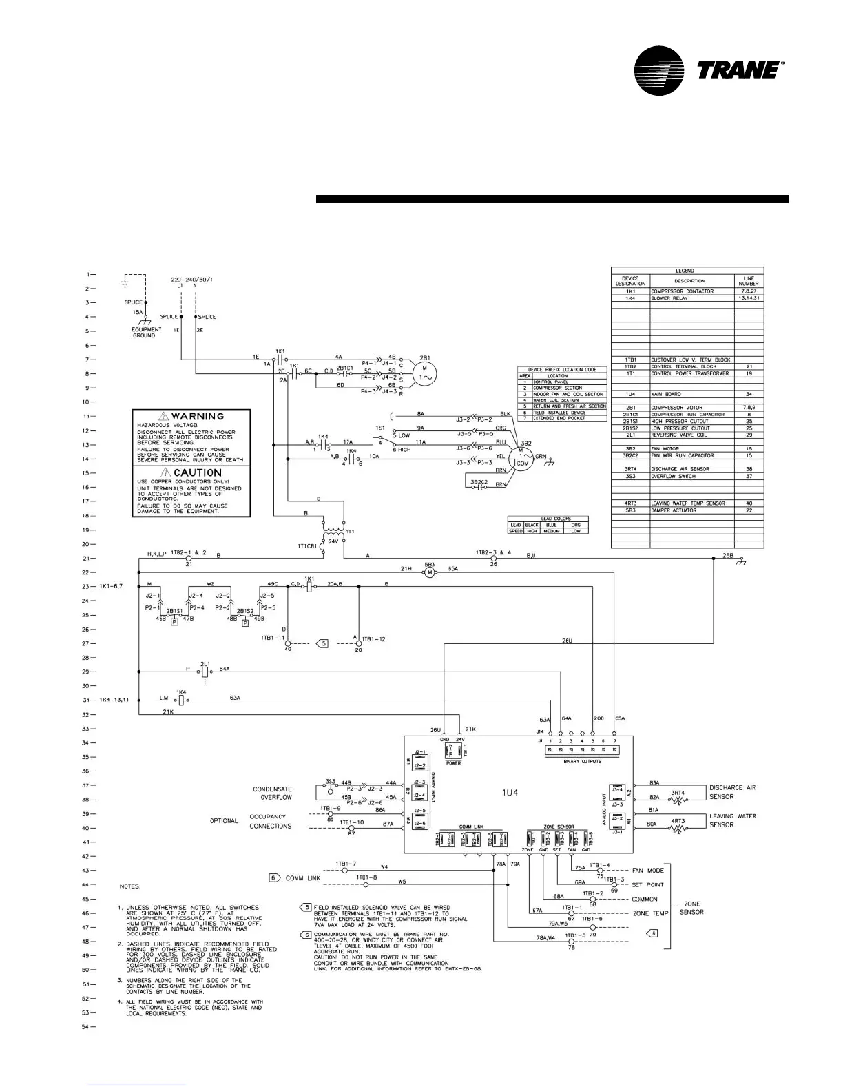
Unit Wiring
Tracer ZN510
220-240V/50 HZ/1 PH

Related product manuals