EasyManua.ls Logo

Trane MWD507 - Page 28

Trane MWD507
30 pages
Print Icon
To Next Page IconTo Next Page
To Next Page IconTo Next Page
To Previous Page IconTo Previous Page
To Previous Page IconTo Previous Page
Loading...
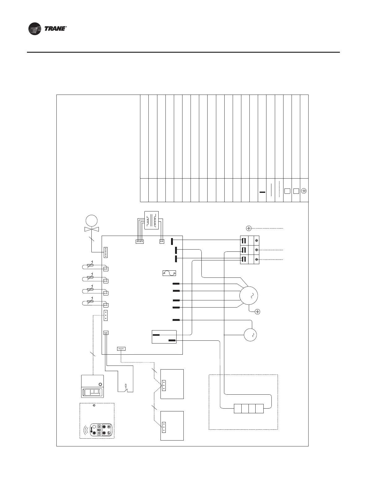
Electrical wiring diagram
MW(C)D507 ~ 518, with condensate water lift pump
FAN
EV1
TB1
WRC
J1
F1
T
N
L
EH
4
CN4/CN5
WRC
M
EV1
5
t
AN1
L
J1
P11
P6
T
F1
N
NPE
TB1
EH
220~240V/50Hz
L
L
M1
t
AN2
t
AN3
t
AN4
P9
P1
Option
R
Option
P10
CN3
CN4TB2
3
N2
N1
CN1
CN2
CN8
3
FAN
REBL
BK
BR
YE
N
J2
Pump
M2
PUMP
SA1
CN12
PUMP
SA1
Out door
UNIT
In door
UNIT
MAIN BOARD
MED
LOW
HIGH
SUP LOW
AN1
AN2
AN3
AN4
Fan motor
Relay (for electric heater)
Wiring control panel
Terminal connector
Fuse
Transformer
Electronic expansion valve
Local wiring
Neutral
Power line
Coil middle temperature sensor
Coil outlet temperature sensor
Coil inlet temperature sensor
Connector on main board
Ground
Room temperature sensor
Factury wiring
Electric heater
Water draining pump
Water level switch
28 AMS-SVX04A-EN

Related product manuals