EasyManua.ls Logo

Trane R-410A Split System - Wiring Diagrams - 4 MXW5518 A1 4 TXK5518 A1; Wiring Diagrams - 4 MXW5524 A1 4 TXK5524 A1

Trane R-410A Split System
72 pages
Print Icon
To Next Page IconTo Next Page
To Next Page IconTo Next Page
To Previous Page IconTo Previous Page
To Previous Page IconTo Previous Page
Loading...
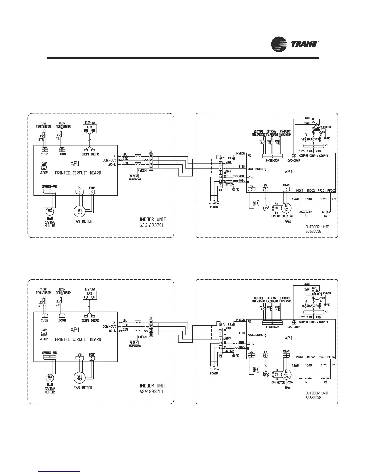
)LJXUH7 4MXW5518A1 4TXK5518A1
)LJXUH8 4MXW5524A1 4TXK5524A1
31

Table of Contents

Related product manuals