EasyManua.ls Logo

Trojan VISION 350 - Step 11: Arm Curl and Foam Rolls

Trojan VISION 350
31 pages
Print Icon
To Next Page IconTo Next Page
To Next Page IconTo Next Page
To Previous Page IconTo Previous Page
To Previous Page IconTo Previous Page
Loading...
10173-22
5. ASSEMBLY STEPS
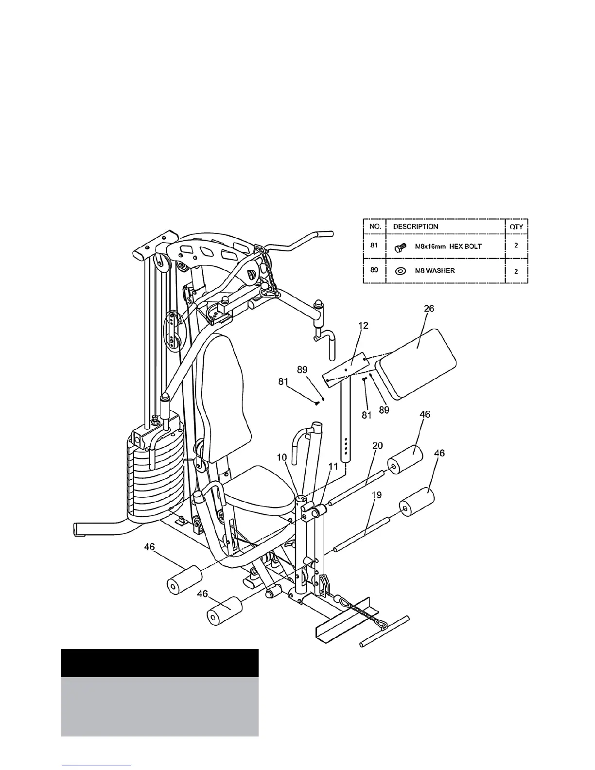
STEP 11
• AttachArmCurlCushion(26)totheArmCurlFrame(12)usingtwoM8x16mmHexBolts(81)andtwoM8Washers(89).
• InsertArmCurlFrame(12)intoSeatSupportPost(10)andsecurewithPT-1BPopPin.
• InsertFoamRod(20)throughthebushingofSeatSupportPost(10)thenslideoneFoamRoll(46)ontoeachend.
• InsertFoamRod(19)throughtheholesofLegExtension(11)thenslideoneFoamRoll(46)ontoeachend.
Recheck
all bolts and nuts are
tightened securely
before using the machine

Related product manuals