EasyManua.ls Logo

Trojan VISION 350 - Step 6: Butterfly Arms and Pulleys

Trojan VISION 350
31 pages
Print Icon
To Next Page IconTo Next Page
To Next Page IconTo Next Page
To Previous Page IconTo Previous Page
To Previous Page IconTo Previous Page
Loading...
10173-16
5. ASSEMBLY STEPS
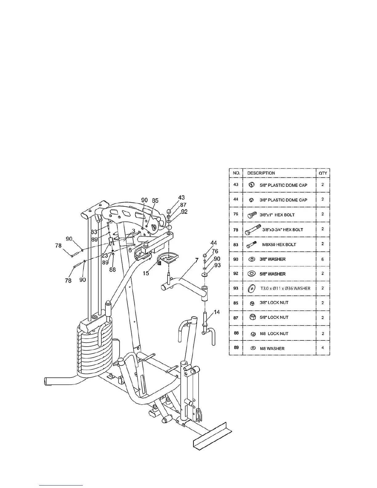
STEP 6
• AttachButteryExtension(6)toVerticalPost(3)usingtwo3/8”x3-3/4”HexBolts(78),four3/8”Washers(90)andtwo
3/8”LockNuts(85).
• InserttheshaftofLeftButteryArm(7)throughtheLeftAdjustablePlate(15)toButteryExtension(6).Securewithone
5/8”Washer(92)andone5/8”Locknut(87)and5/8”PlasticDomeCap(43).
• AttachSolidHandle(14)toLeftButteryArm(7)usingone3/8”x1”HexBolt(76),one3/8”Washer(90),oneWasher
(93) and 3/8” Plastic Dome Cap (44).
• FollowtheabovestepsfortheRightButteryArmassembly.
• AttachtwoSinglePulleyBrackets(23)tothebracketofVerticalPost(3)usingtwoM8x60mmHexBolts(83),fourM8
Washers(89)andtwoM8LockNuts(88).

Related product manuals