EasyManua.ls Logo

Trojan VISION 350 - Step 7: Upper Cable Installation

Trojan VISION 350
31 pages
Print Icon
To Next Page IconTo Next Page
To Next Page IconTo Next Page
To Previous Page IconTo Previous Page
To Previous Page IconTo Previous Page
Loading...
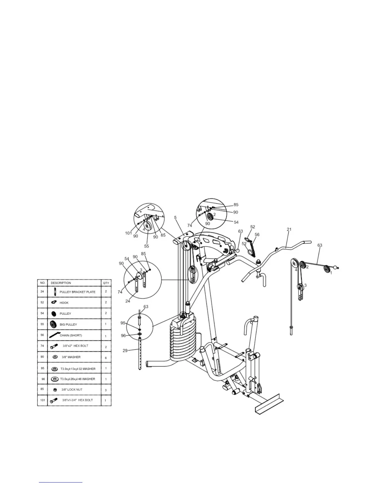
10173-17
5. ASSEMBLY STEPS
STEP 7
• ThreadtheUpperCable(63)throughthepulleybracketsoftheunitasshown.
• WithUpperCable(63)inthegrooveofPulley(54),installPulley(2)intothebracketofTopBeam(5)usingone3/8”x2”
HexBolt(74),two3/8”Washers(90)andone3/8”LockNut(85).
• WithUpperCable(63)inthegrooveofPulley(54),installpulley3intotopofPulleyBracketPlate(24)usingone3/8”x2”
HexBolt(74),two3/8”Washers(90)andone3/8”LockNut(85).
• WithUpperCable(63)inthegrooveofBigPulley(55),installthePulley(4)intothebracketofTopBeam(5)usingone
3/8”x1-3/4”HexBolt(101),two3/8”Washers(90)andone3/8”LockNut(85).
• AttachboltendofUpperCable(63)toWeightSelectionRod(29)usingoneT3.0xØ13xØ32mmWasher(95)andone
T3.0xØ26xØ46mmWasher(96).
• AttachballendofUpperCable(63)toLatBar(21)usingtwoChainHooks(52)andoneChain(Short)(56).