EasyManua.ls Logo

TTK FG-SYS - Page 41

TTK FG-SYS
49 pages
Print Icon
To Next Page IconTo Next Page
To Next Page IconTo Next Page
To Previous Page IconTo Previous Page
To Previous Page IconTo Previous Page
Loading...
41
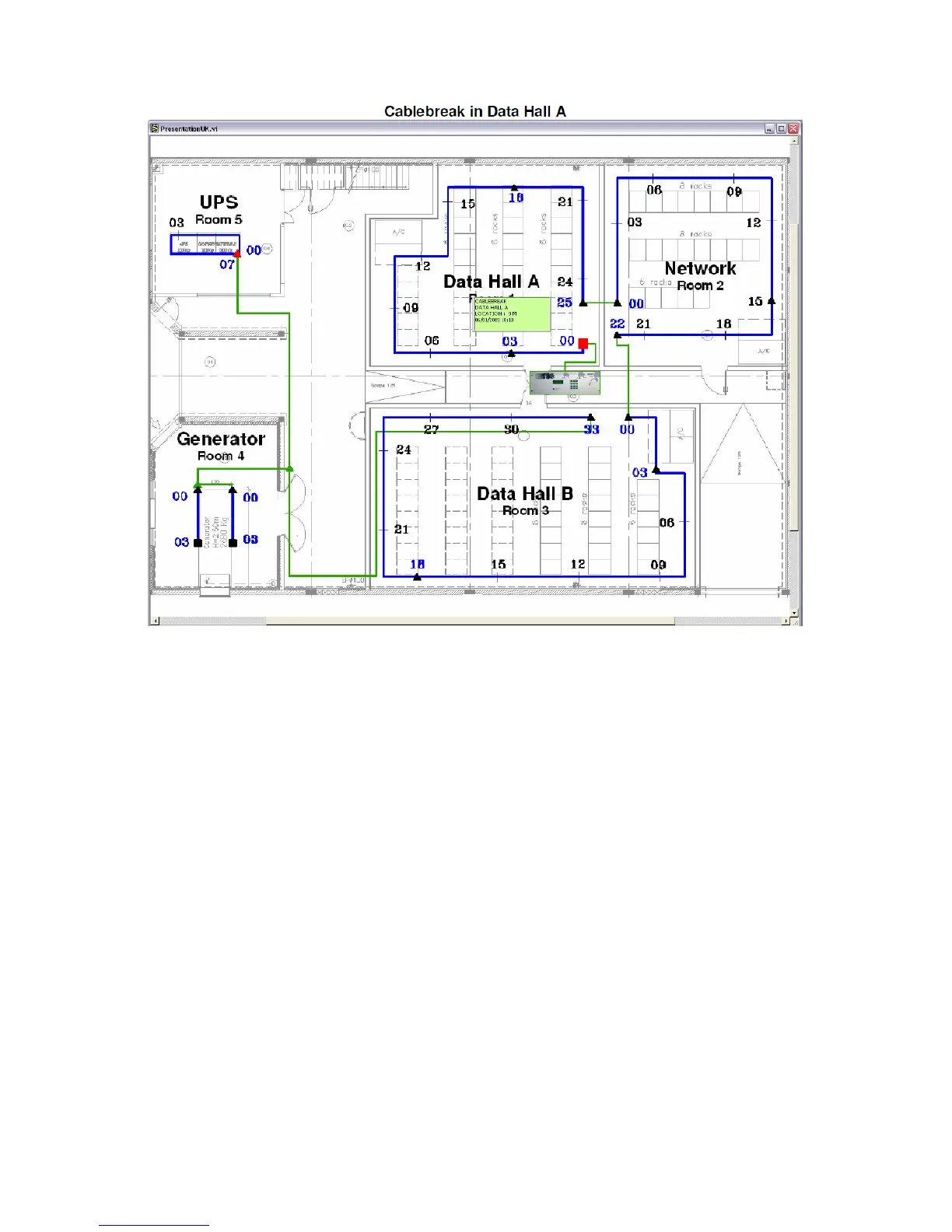
The cables in alarm status are drawn in red and the normal status cables are in blue. A small
graphic window simulating the central unit display is seen just next to each sense cable in alarm
status.
The maps are real-time information about a particular zone; each new event updates the information
on the corresponding window. The status of each zone could also be displayed using the button
Load/Update Map.
Each window of this software could be printed on a colour printer connected to the parallel port of the
computer. Thus a file with different printouts could be conserved by the user to follow the overall
status of the liquid leaks on the site.

Other manuals for TTK FG-SYS