EasyManua.ls Logo

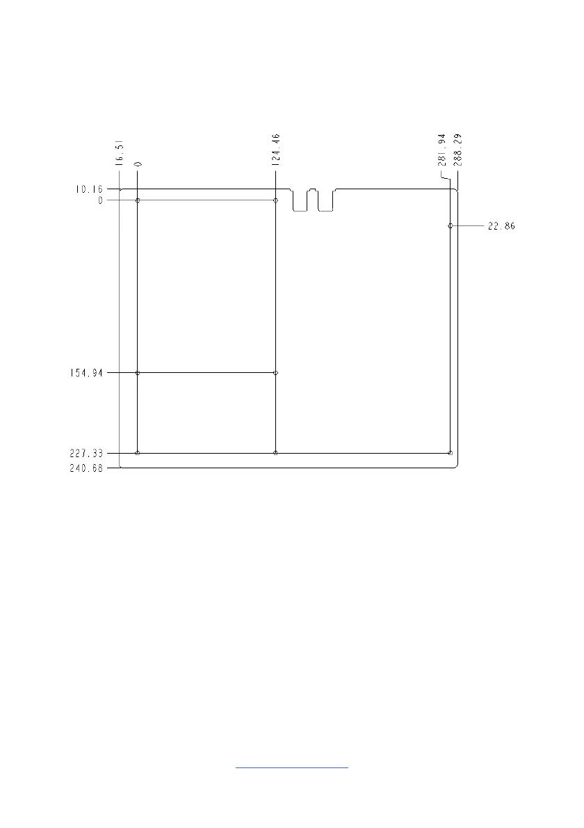
TYAN S8030 - Mainboard Mechanical Drawing

TYAN S8030
152 pages
Print Icon
To Next Page IconTo Next Page
To Next Page IconTo Next Page
To Previous Page IconTo Previous Page
To Previous Page IconTo Previous Page
Loading...
http://www.tyan.com
14
2.3 Mainboard Mechanical Drawing

Related product manuals