EasyManua.ls Logo

typical TW3-P335 - Thread Tension Components

typical TW3-P335
42 pages
Print Icon
To Next Page IconTo Next Page
To Next Page IconTo Next Page
To Previous Page IconTo Previous Page
To Previous Page IconTo Previous Page
Loading...
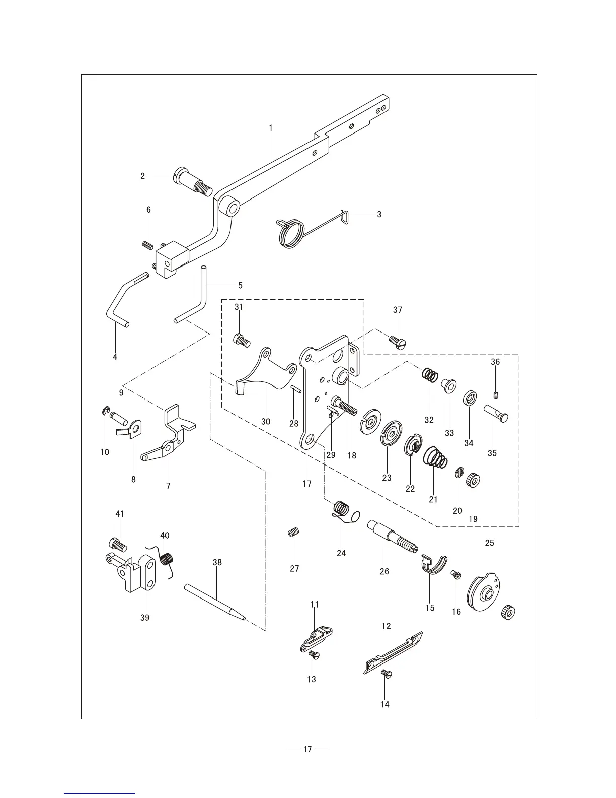
5.Thread tension and thread tension releasing components

Related product manuals