EasyManua.ls Logo

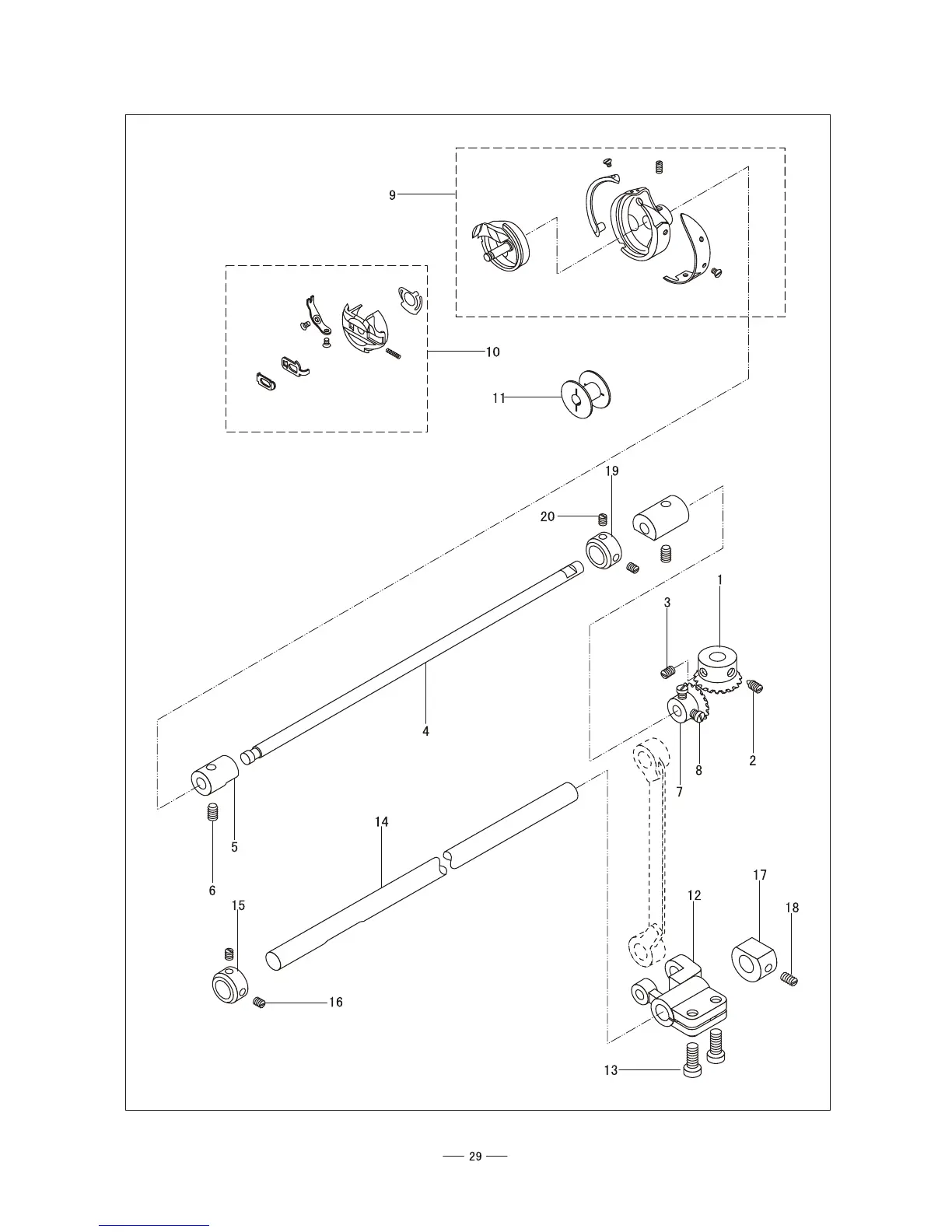
typical TW3-P335 - Lower Shaft and Rotating Hook

typical TW3-P335
42 pages
Print Icon
To Next Page IconTo Next Page
To Next Page IconTo Next Page
To Previous Page IconTo Previous Page
To Previous Page IconTo Previous Page
Loading...
11.Lower shaft and rotating hook

Related product manuals