EasyManua.ls Logo

typical TW3-P335 - Knee Lifter Control Components

typical TW3-P335
42 pages
Print Icon
To Next Page IconTo Next Page
To Next Page IconTo Next Page
To Previous Page IconTo Previous Page
To Previous Page IconTo Previous Page
Loading...
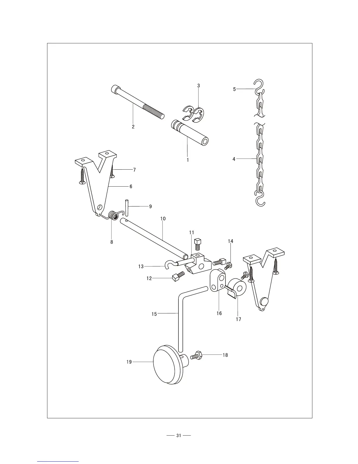
12.Knee lifter control components

Related product manuals