EasyManua.ls Logo

Universal 75015 - Figure 14

Universal 75015
36 pages
Print Icon
To Next Page IconTo Next Page
To Next Page IconTo Next Page
To Previous Page IconTo Previous Page
To Previous Page IconTo Previous Page
Loading...
29
DO NOT TAKE or SEND PRODUCT BACK to where this product was purchased. Please contact Universal Fitness/FFA Corp.
for missing or defective parts at one of the following: Phone 1-800-521-6233 or Fax 1-662-495-5038 or E-mail at
customerservice@universal-fitness.com. Mailing address: Universal Fitness/FFA Corp. - 100 Tubb Ave. West
Point MS 39773. Web sight www.universal-fitness.com
29
7
3
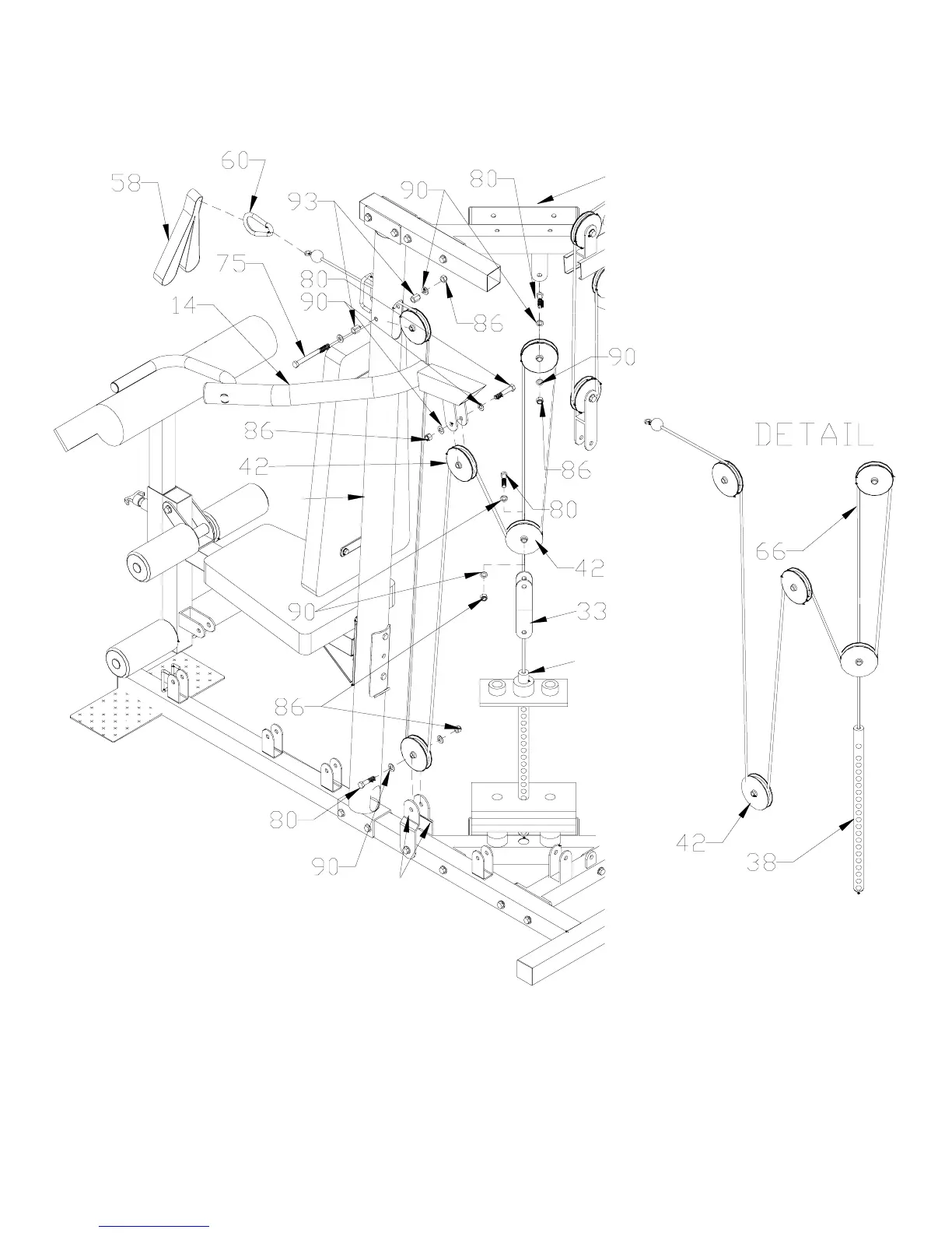
FIGURE 14
CABLE
ADJUSTER

Related product manuals