EasyManua.ls Logo

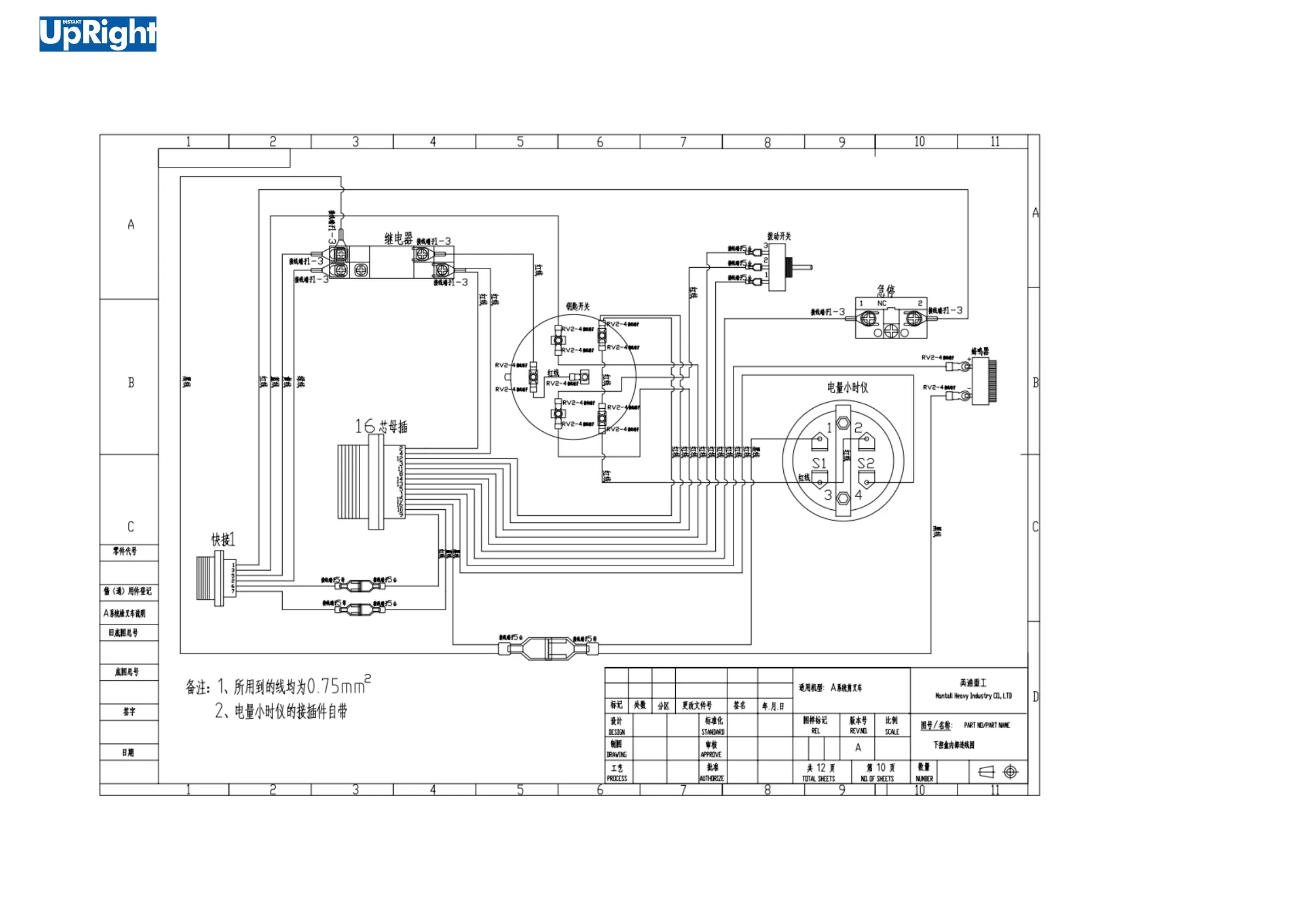
Upright MX Series - Base Control Box Internal Wiring Diagram of Hydraulic Drive a System

Upright MX Series
114 pages
Print Icon
To Next Page IconTo Next Page
To Next Page IconTo Next Page
To Previous Page IconTo Previous Page
To Previous Page IconTo Previous Page
Loading...
95 Translation of the original instruction”
7.1.12 Base control box internal wiring diagram of Hydraulic drive A system

Table of Contents

Related product manuals