EasyManua.ls Logo

Upright MX19 - Page 85

Upright MX19
90 pages
Print Icon
To Next Page IconTo Next Page
To Next Page IconTo Next Page
To Previous Page IconTo Previous Page
To Previous Page IconTo Previous Page
Loading...
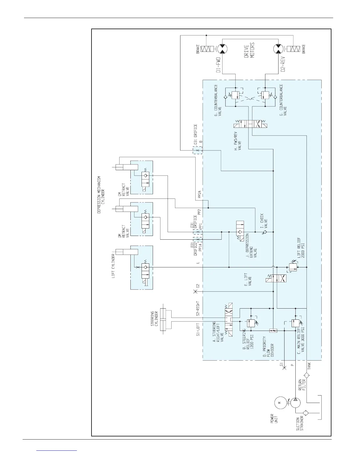
Section 4 - Schematics Hydraulic
113101-000 MX15 / MX19 | Service Manual Page 4-9
Figure 4-8:
Hydraulic Schematic
FL1
PMP
RES
FL2
RV3
DVDR
RV1
V1
CYL1
V2A
RV2
V3A
CV
V4
V5
V5
MOT
MOT
CYL3
V3B
V3B
CYL3
CYL2
V2B
OR2
OR2
OR1
OR3

Other manuals for Upright MX19

Related product manuals