EasyManua.ls Logo

UTICA BOILERS MAC-150 - External Buffer Tank - Wiring Diagram; Buffer Tank Pump Wiring

UTICA BOILERS MAC-150
139 pages
Print Icon
To Next Page IconTo Next Page
To Next Page IconTo Next Page
To Previous Page IconTo Previous Page
To Previous Page IconTo Previous Page
Loading...
26
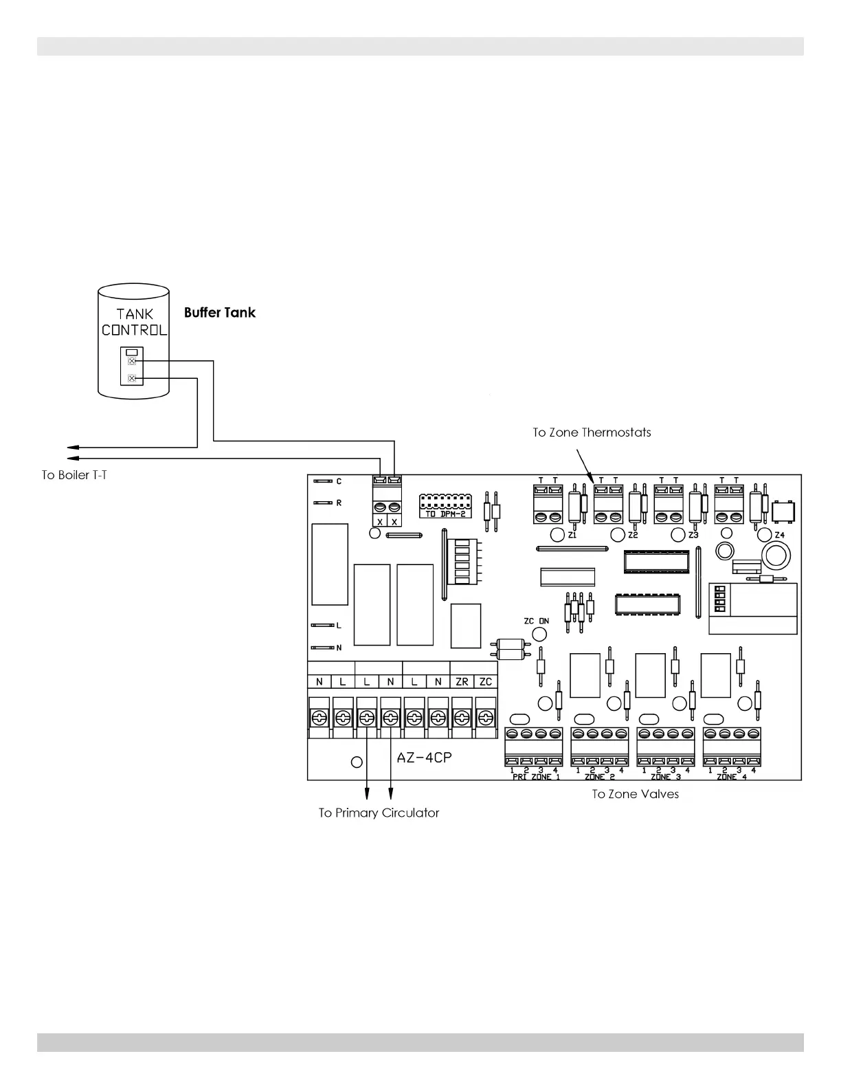
EXTERNAL BUFFER TANK - WIRING DIAGRAM
Buffer Tank Pump Wiring
Controlling A Primary Pump On A Combi Boiler With Zone
Valves, No Indirect Tank
PN 240011430 REV. P [09/15/2021]

Table of Contents

Other manuals for UTICA BOILERS MAC-150

Related product manuals