EasyManua.ls Logo

UTICA BOILERS MAC-150 - 100, 125 W;Zone Circulators & DHW Tank- Piping Diagram

UTICA BOILERS MAC-150
139 pages
Print Icon
To Next Page IconTo Next Page
To Next Page IconTo Next Page
To Previous Page IconTo Previous Page
To Previous Page IconTo Previous Page
Loading...
10
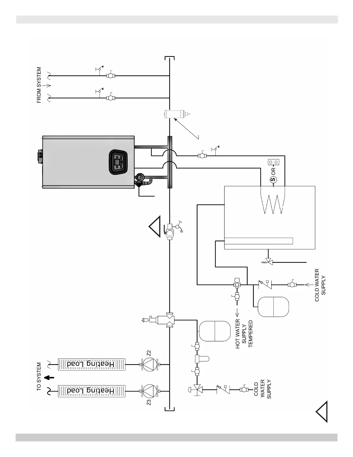
100, 125 W/ZONE CIRCULATORS & DHW TANK- PIPING DIAGRAM
100 & 125 W/ ZONE CIRCULATORS & DHW TANK-
PIPING DIAGRAM
MAGNETIC DIRT
SEPARATOR
1
1
Locate shut off valve after
any field installed LWCO.
Shut off &
Purge Valve
PN 240011430 REV. P [09/15/2021]

Table of Contents

Other manuals for UTICA BOILERS MAC-150

Related product manuals