EasyManua.ls Logo

V-Tec DT591 - Multi Doorstations Connection

V-Tec DT591
16 pages
Print Icon
To Next Page IconTo Next Page
To Next Page IconTo Next Page
To Previous Page IconTo Previous Page
To Previous Page IconTo Previous Page
Loading...
-7-
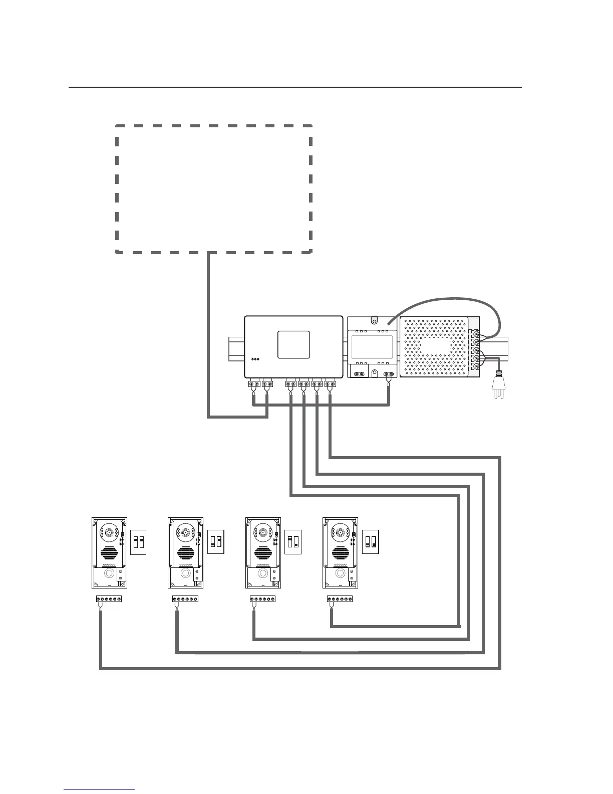
5.3 Multi Doorstations Connection
85~260VAC
DPS
PS5
monitors
12
ON
L1 L2 PL S1+ S2+ S-
12
ON
L1 L2 PL S1+ S2+ S-
12
ON
L1 L2 PL S1+ S2+ S-
12
ON
L1 L2 PL S1+ S2+ S-
1 2
ON
1 2
ON
1 2
ON
1 2
ON
1# Camera
ID=00
ID=10
ID=01ID=11
2# Camera3# Camera4# Camera
DBC4
A B C D
BUS

Related product manuals