EasyManua.ls Logo

vanEE HRV 60H - Wiring Diagram

vanEE HRV 60H
21 pages
Print Icon
To Next Page IconTo Next Page
To Next Page IconTo Next Page
To Previous Page IconTo Previous Page
To Previous Page IconTo Previous Page
Loading...
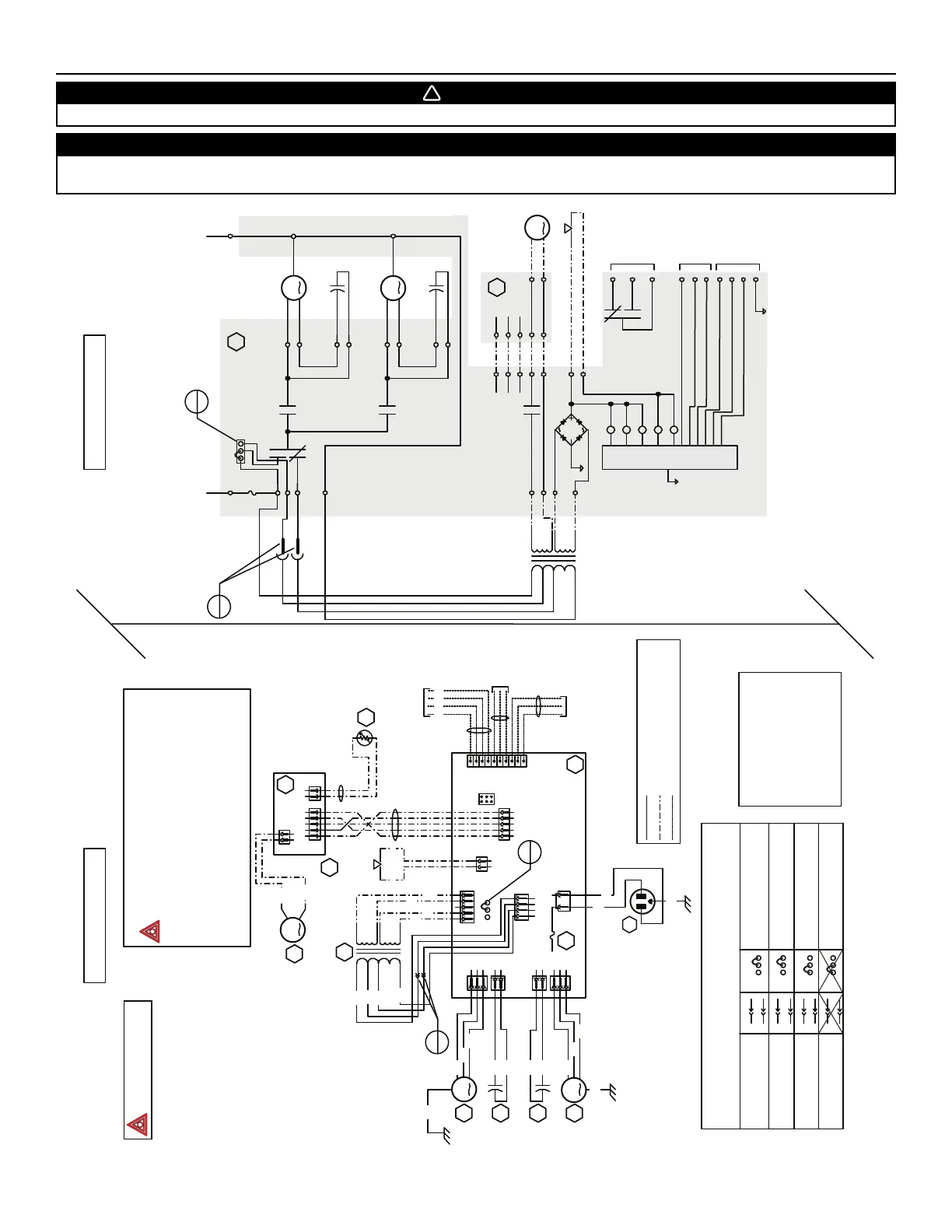
5. WIRING DIAGRAM
WARNING
Risk of electrical shocks. Before performing any maintenance or servicing, always disconnect the unit from its power source.
!
Field wiring
remote control
(see notes 3 & 4)
120 V, 60 Hz
W1
J5
J7
J6
J4
ELECTRONIC
ASSEMBLY
1
2
3
1
2
1
2
1
2
3
1234
12
123 45
12345
J8
J9
J11
J10
12
J12
J13
J14
10
9
8
7
6
5
4
3
2
1
B
24 V
class 2
9.5 V
class 2
120V, 60Hz
Neutral
120 V, 60Hz
Line
CPU
K2
K4
K5
J5-2
J10-1J10-2
Line voltage factory wiring
Class 2 low voltage factory wiring
Class 2 low voltage field wiring
See note 1
120 V
90 V
68 V
neutral
Door interlock switch
(magnetically actuated
Exhaust fan
motor
1234512
12
J3
J2
J1
Damper motor
BK
Override
switch
Furnace blower interlock
J14-1 : NO
J14-2 : COM
J14-3 : nc
(optional; see notes 3, 5)
DAMPER
ELECTRONIC ASSEMBLY
Defrost
temperature sensor
WIRING DIAGRAM
LOGIC DIAGRAM
Exhaust fan motor
Supply fan motor
J5-1
J5-3
J7-2
J7-1
J4-1
J4-3
J6-2
J6-1
K1
K3
K2
24 V
class 2
9.5 V
class 2
120 V
90 V
68 V
neutral
J9-1
J9-2
J9-3
J4-2
J9-4
Exhaust fan motor
capacitor
Supply fan motor
capacitor
J8-1
J8-2
J8-4
J8-5
K4
J12-2
J12-1
A1
Damper motor
J3-2
J3-1
J2-2
J2-1
F1
J12-5
J12-4
J12-3
J2-3
J2-4
J2-5
Door interlock switch
J11-2
J11-1
K1
K3
K5
J14-3
J14-1
J14-2
Furnace
blower
interlock
(optional; see
notes 3, 5)
J14-4
J14-5
J14-6
J14-7
J14-8
J14-9
J14-10
Override
switch
(optional; see
notes 3, 4)
Field wiring
remote
control (see
notes 3, 4)
ICP
BK
YRG
W W
BK
W
BL
R
G
BK
BL
BN
BN
BK
BK
BK
BK
BK
BL
Exhaust fan
motor
capacitor
Supply fan
motor
capacitor
Supply fan
motor
G
G
BN
BN
Y
Y
BK
W
A2
A2
M3
T1
S1
R1
A1
F1
M1
C1
C2
M2
(optional; see
notes 3 & 4)
VE0107A
COLOR CODE
BK BLACK
BL BLUE
BN BROWN
G GREEN
RRED
W WHITE
Y YELLOW
nc no connection
Critical characteristic.
reed switch)
JU1
123
MED HI
321
HI MED
JU1
FAN MOTORS SPEED SELECTION
SETTING Ref 1 Ref 2 FAN SPEEDS (Voltage)
Factory shipped Low (68) - High (120)
Med-High select Med (90) - High (120)
Low-Med select Low (68) - Med (90)
Not recommended Med - Low
NOTES
1. For continued fire protection. Use specified
UL listed/CSA Certified line fuse.
2. If any of the original wire, as supplied, must
be replaced, use the same equivalent wire.
3. Field wiring must comply with applicable
codes, ordinances and regulations.
4. Remote controls (class 2 circ
uit) available,
see instruction manual.
5. Furnace fan circuit must be class 2 circuit only.
BL BL
RR
RBL
BL R
BL BL
RR
RBL
BL R
JU1
123
JU1
123
JU1
123
JU1
123
Ref
2
Ref
1
Ref
1
MED
LOW
Ref
2
- 13 -
CAUTION
Never change both Ref 1 and Ref 2 configurations, only one configuration can be changed at the same time. If Ref 1 and Ref 2
configurations are changed, Medium and Low speed will be reversed.

Related product manuals