EasyManua.ls Logo

Velleman EDU06 - Diagram

Velleman EDU06
24 pages
Print Icon
To Next Page IconTo Next Page
To Next Page IconTo Next Page
To Previous Page IconTo Previous Page
To Previous Page IconTo Previous Page
Loading...
22
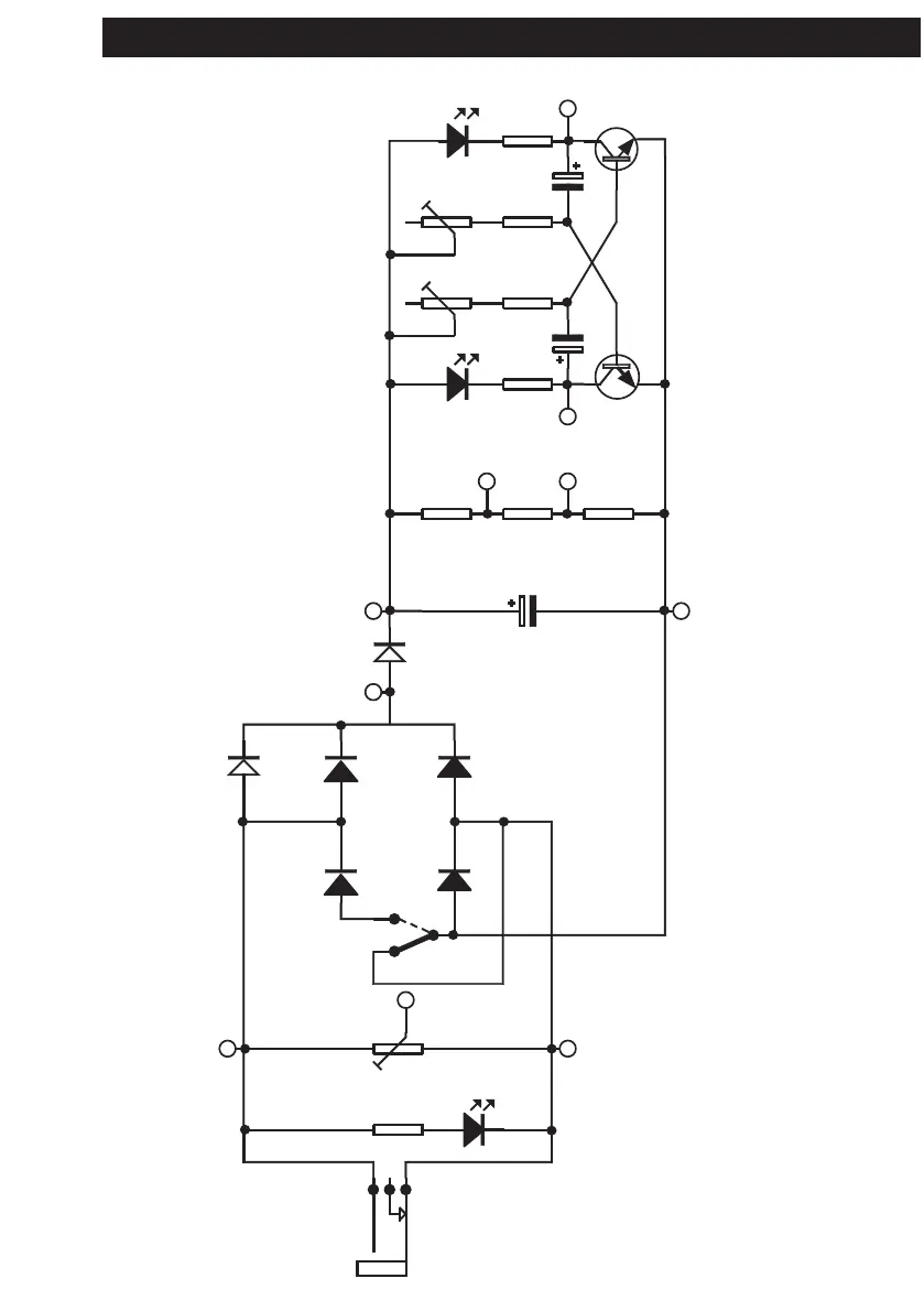
Diagram
D1
D1
1N4007
1N4007
D3
D3
1N4007
1N4007
D2
D2
1N4007
1N4007
D4
D4
1N4007
1N4007
D5
D5
1N4007
1N4007
SW
SW
-
+
SK1
SK11
DC
DC
JACK
JACK
C1
C1
100µ/25V
100µ/25V
SK1
SK1
SK6
SK6
SK7
SK7
SK4
SK4
SK3
SK3
R2
R2
10K
10K
R3
R3
10K
10K
R6
R6
10K
10K
SK5
SK5
SK8
SK8
T2
T2
BC547
BC547
T1
T1
BC547
BC547
C2
C2
C3
C3
RV
RV
3
100K
100K
RV
RV2
100K
100K
LD2
LD2
LED3RL
LED3RL
LD3
LD3
LED3RL
LED3RL
R7
R7
2K2
2K2
R4
R4
10K
10K
R5
R5
10K
10K
R8
R8
2K2
2K2
SK10
SK10
SK9
SK9
SW
SW
1
SK2
SK2
R1
R1
10K
10K
LD1
LD1
D6
D6
1N4007
1N4007
RV
RV1
100K
100K
 

Related product manuals