EasyManua.ls Logo

Vetek DGT - SET-UP ENVIRONMENT BLOCK DIAGRAM

Default Icon
87 pages
Print Icon
To Next Page IconTo Next Page
To Next Page IconTo Next Page
To Previous Page IconTo Previous Page
To Previous Page IconTo Previous Page
Loading...
DGT / DGT60 / DGTQ / DGTP
10
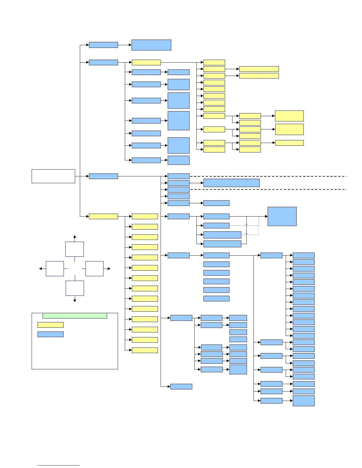
3.1 SET-UP ENVIRONMENT BLOCK DIAGRAM
F.ModE
diAG.
SEtuP
SETUP
ENVIRONMENT
= USER & TECH MENU
= ONLY TECH MENU
(*) = METROLOGICAL PARAMETER
) = CONDITIONED STEP
(!) = DEFAULT VALUE
tYPE (*))
(!) Ind.Ch, dEP.Ch,
trAnSM
LEGEND
PRINT
C
ON/Stb
TARE
Std
inout
nuMSL (01...04)
G.t., 1St.2nd, in.out
hLd
tot.Mod
MAStr
(!) ntGS
Alibi
ViSS
PEAk
tot o
tot S
Coun
Max.tot
norM.t, FASt.t,
Auto
tot.Mod
Max.tot
norM.t, FASt.t,
Auto
uM.APW
Wait.t
G, kG, t, Lb
FunCt. (§)
CLoCK (§)
SCr.SAV )
rEACt (§)
(!) ZEro,
inSt,
ALWAyS
(!)no, YES
tArE)
(!) LoCK,
unLoCK,
diSAb
(!) diSAb,
EnAb,
AutoFF (§)
deFAu
ini.AL(*))
inPutS
outPut
SEriAL
d.SALE (*)
ConFiG)
(!) no, YES
inP.1
inP.2
(!) nonE, ZEro,
tArE, ModE,
Print, C, oFF,
diS.KEY
out. 1
out.2
FunC
no / nC
onStAt
rL.iSt
(!) 0 nonE
1 GroS
2 nEt
3 PCS
4 Gro.0
5 nEt.0
6 Moti.
23 k.Pr
29 Err
25 k.Mo
26 k.C
27 k.ZE
28 k.tA
(!) no
nC
StbL
(!) drCt
iSt.on
(!) iSt.oFF
PrG.VEr.
diV.int(§)
diSPLA
kEyb.
SEr
CtS.St
outPut
AdC.uV)
AdC.Pnt(§)
inPutS
An out
dSP.rF (!) norM., 1, 2.5, 5, 10, 20 hZ
EnAb.tM
dELAY
0,0...100,0
0,0...100,0
SiGn (§)
PoSit,
nEGAt
ZERO
rEPE )
ir.ConF (§)
(!)ir no,
ir 1, ir 4
L.int )
(!) Lint1,
Lint2,
Lint3,
Lint4
out.3 )
out.4 )
out.5 )
out.6 )
AdC.MVV)
An.out
ModE Ao no
Ao G
AoMA
AoZE xxxxxx
xxxxxxAoMi
xxxxxx
SiGn )
PoSit,
nEGAt
Chan (§) 1..4
Ao n
inP.3 Mod.DGTP
inP.4 Mod.DGTP
rotArY
Ser.nuM

Table of Contents