EasyManua.ls Logo

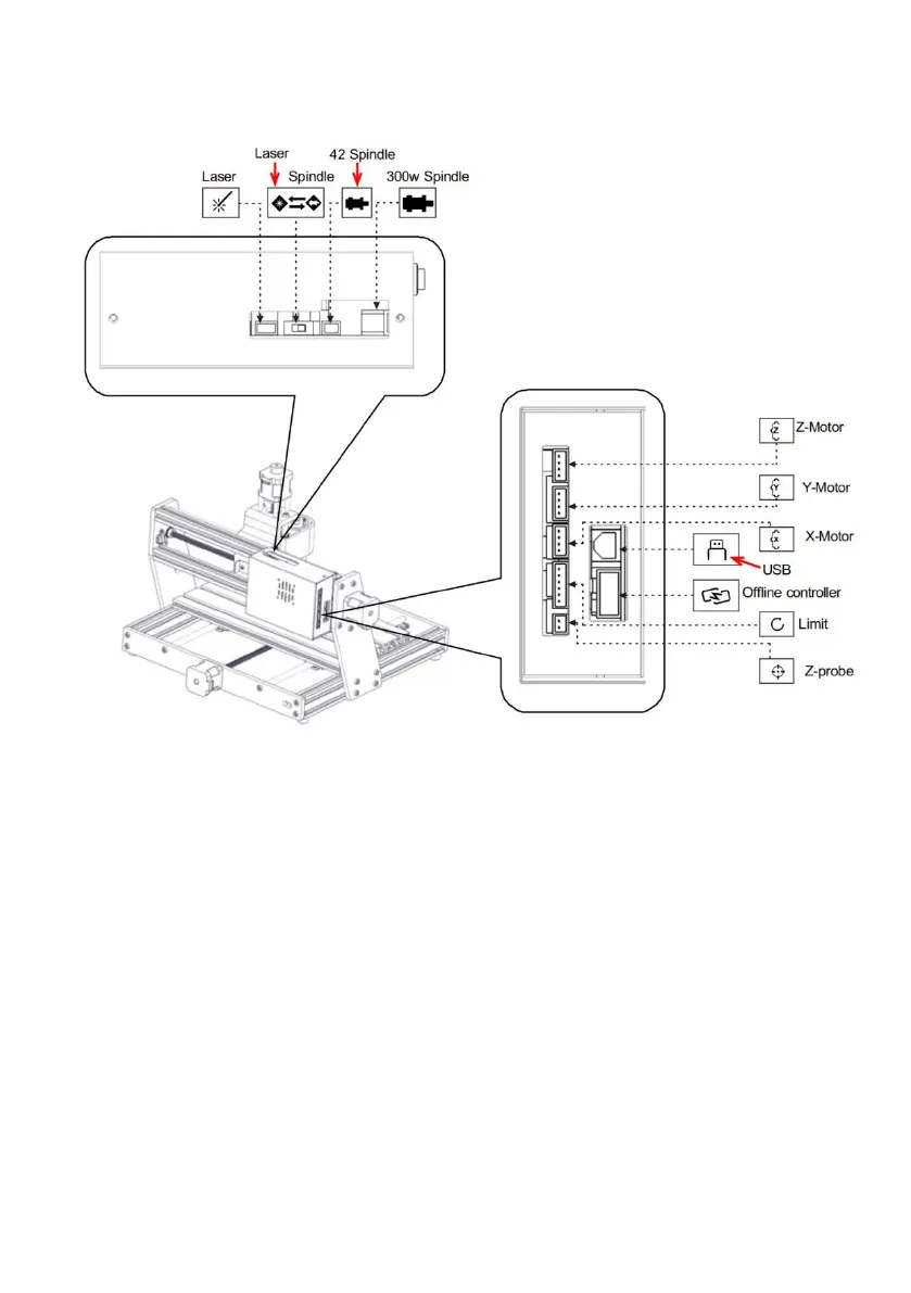
VEVOR S4040 - C. Interface diagram

VEVOR S4040
24 pages
Print Icon
To Next Page IconTo Next Page
To Next Page IconTo Next Page
To Previous Page IconTo Previous Page
To Previous Page IconTo Previous Page
Loading...
- 4 -
C. Interface diagram

Related product manuals