EasyManua.ls Logo

Victa PRO Series - Cutter Deck

Victa PRO Series
34 pages
Print Icon
To Next Page IconTo Next Page
To Next Page IconTo Next Page
To Previous Page IconTo Previous Page
To Previous Page IconTo Previous Page
Loading...
IIleTA
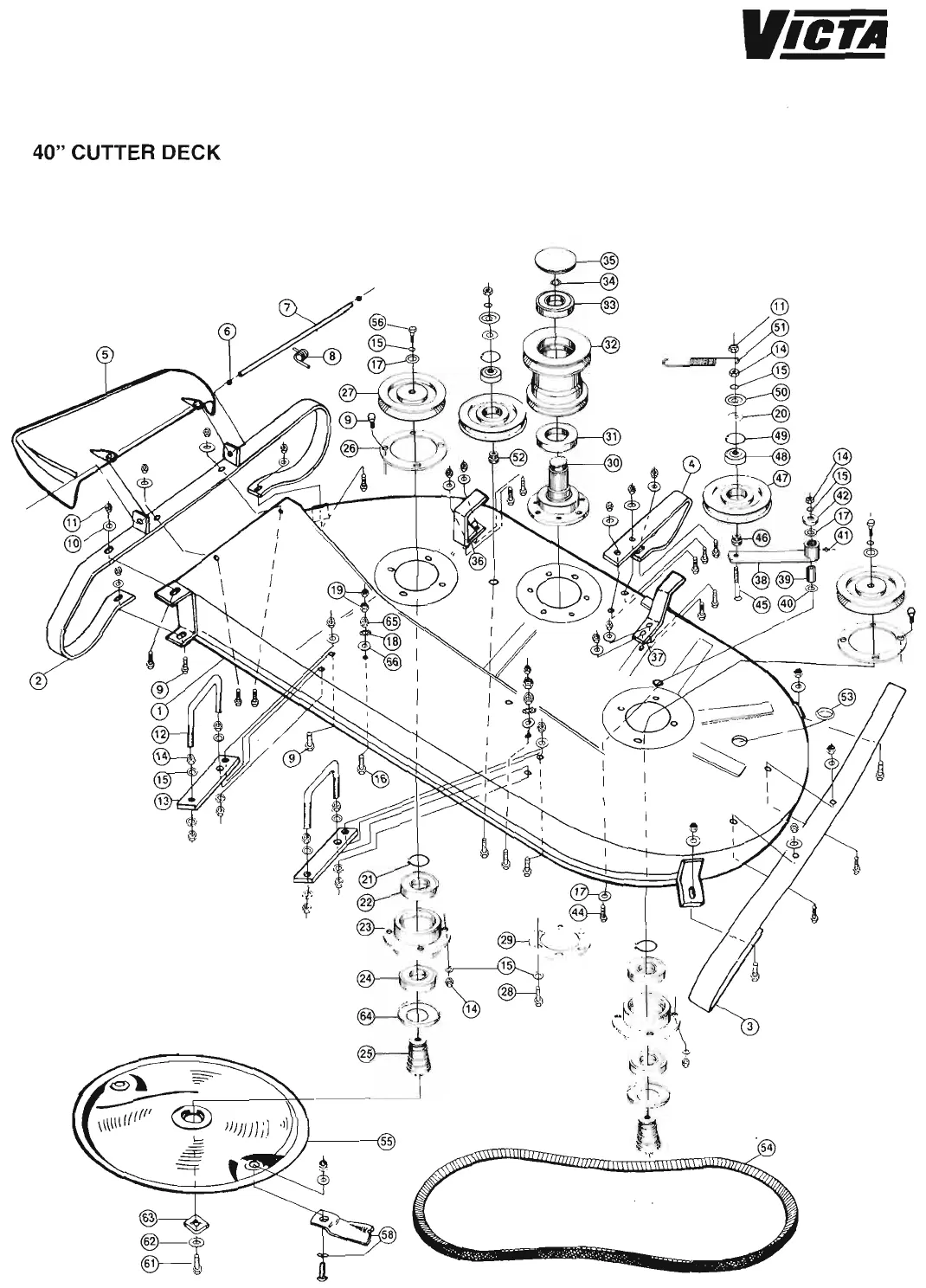
40"
CUTTE
R
DECK

Related product manuals