EasyManua.ls Logo

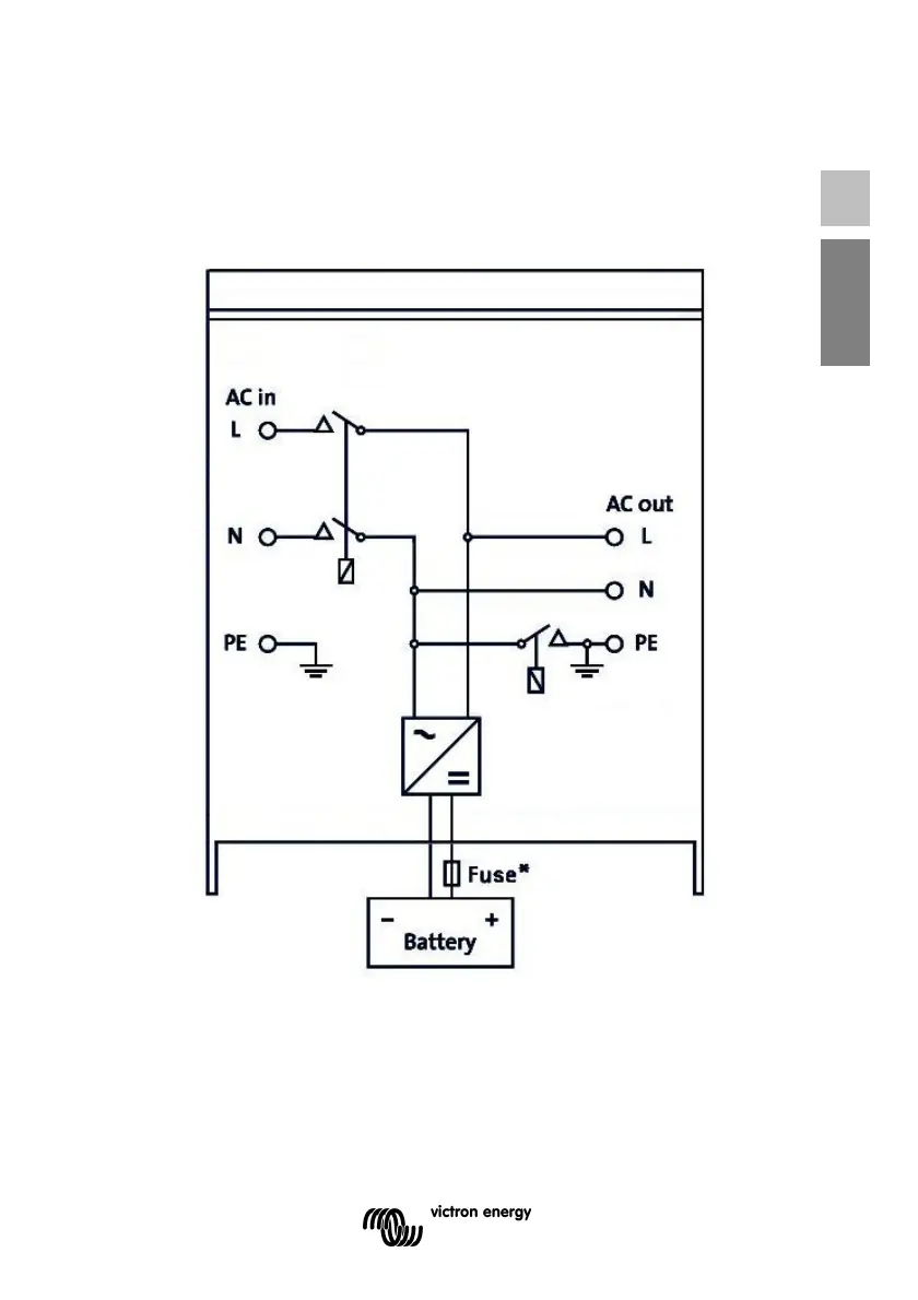
Victron energy MultiPlus 12/3000/120 – 50 - Appendix B: Block Diagram

Victron energy MultiPlus 12/3000/120 – 50
62 pages
Print Icon
To Next Page IconTo Next Page
To Next Page IconTo Next Page
To Previous Page IconTo Previous Page
To Previous Page IconTo Previous Page
Loading...
EN Appendix
www.victronenergy.com
APPENDIX B: Block diagram
*
Se
e
table in section
4.2

Related product manuals