EasyManua.ls Logo

Viessmann CS - Page 32

Viessmann CS
38 pages
Print Icon
To Next Page IconTo Next Page
To Next Page IconTo Next Page
To Previous Page IconTo Previous Page
To Previous Page IconTo Previous Page
Loading...
GB
General notice (liability): the details of this technical documents serve for description. Consents regarding the availability of certain features or
regarding a certain purpose always require a special written agreement.
Page No. 32-GB 9.3 We reserve the right to make technical changes!
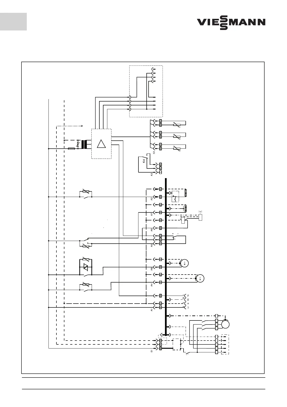
9.3 Electrical circuit diagram for FS 1800 SD, FS 2400 SD and CS 2800
2
2
RxD RxDSG SG
TxD TxD+12V
3
3
5
5
9
CEE Gerätestecker
3+N+PE/ 400V/ 16A
Leitungsschutz-
schalter
10A
Netzfilter
PE-Leiste
4-pol. Steckverbindung
für Kühlraum
Verdampferlüfter
Verfl.Lüfter
Pressostat
Ölsumpf-
heizung
Magnetventil
Hochdruck
(nur bei Split-
Aggregaten)
Abtauheizung
ext. Störmeldung
(bei Störung bzw.
im spannungslosen
Zustand ist das
Relais abgefallen)
Temperatursensoren
PT1000
Raumfühler
Verdampfer-
sensor
(optional)
Verflüssiger-
sensor
(optional)
Anschlußschema der optionalen
seriellen Schnittstelle
RS232
für Busbetrieb
F2
80mA Tr
R1
K3
K1
K2 K5
R9
R8
R11
R10
Verdichter-
relais
KM
KM
BK
BK1
L1 L2 L3 PE
M 3~
N
BN
BK2
BUBU PEPE
7 8 9
A1
A2
4 5 6
Verdichter
GND
RF VD VF
E-Plan
FS 1800 und FS 2400/SD
mit Drehstromverdichter
25.02.03.Wgn
BN

Table of Contents

Related product manuals