EasyManua.ls Logo

Viessmann Solar-Divicon PS10 - Page 22

Viessmann Solar-Divicon PS10
28 pages
Print Icon
To Next Page IconTo Next Page
To Next Page IconTo Next Page
To Previous Page IconTo Previous Page
To Previous Page IconTo Previous Page
Loading...
22
0007
0001
0014
0021
0009
0003
0001
0002
0013
0023
0016
0015
0018
0022
0012
0010
0005
0017
0011
0008
0025
0029
0028
0026 0027 00240020
0006
0019
0003
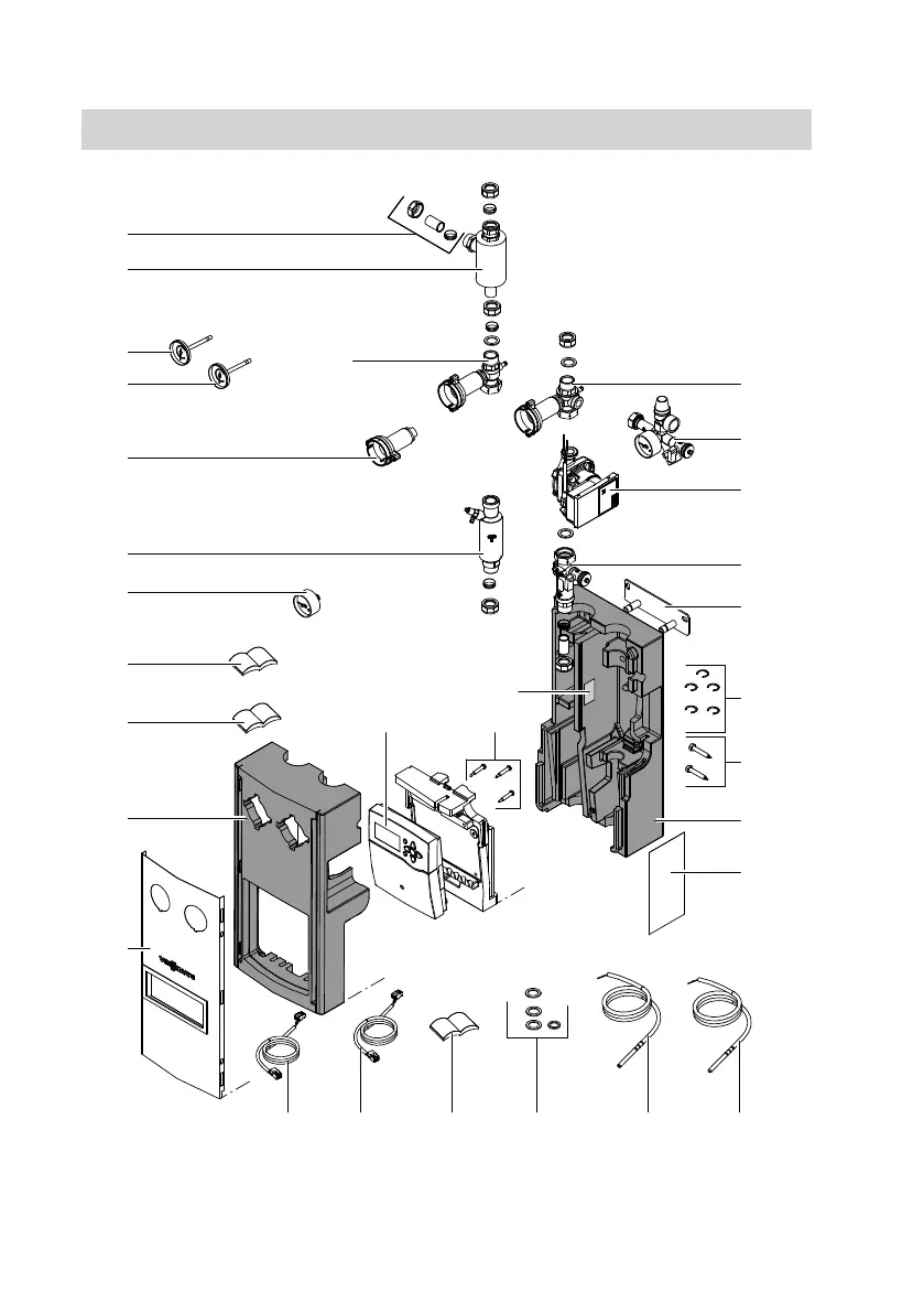
Parts list for Solar-Divicon, type PS10 (cont.)
5773 841 GB

Related product manuals