EasyManua.ls Logo

Viessmann VITOPEND 200 - Page 100

Viessmann VITOPEND 200
128 pages
Print Icon
To Next Page IconTo Next Page
To Next Page IconTo Next Page
To Previous Page IconTo Previous Page
To Previous Page IconTo Previous Page
Loading...
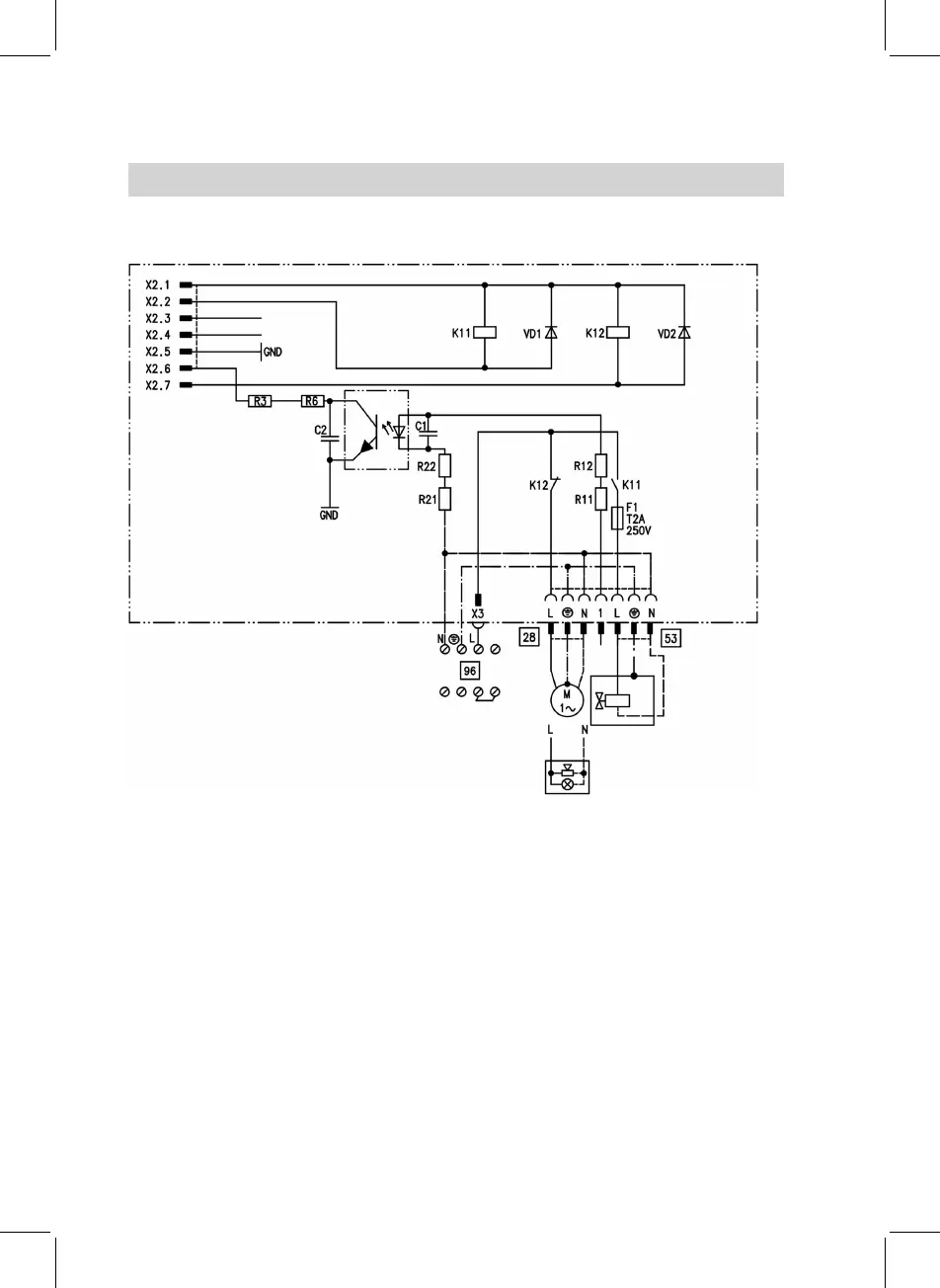
Internal extension H1
The internal extension is integrated
into the control unit casing. The fol-
lowing alternative functions can be
connected to relay output sK. The
function is allocated via coding
address "53":
&
Central fault message (coding
address "53:0")
&
Heating circuit pump for heating cir-
cuit without mixer (coding address
"53:2")
An external safety valve can be con-
nected to gD.
Extensions for external connections (accessories)
100
Function description
5862 831 GB

Table of Contents

Other manuals for Viessmann VITOPEND 200

Related product manuals