EasyManua.ls Logo

Viessmann VITOPEND 200 - Page 114

Viessmann VITOPEND 200
128 pages
Print Icon
To Next Page IconTo Next Page
To Next Page IconTo Next Page
To Previous Page IconTo Previous Page
To Previous Page IconTo Previous Page
Loading...
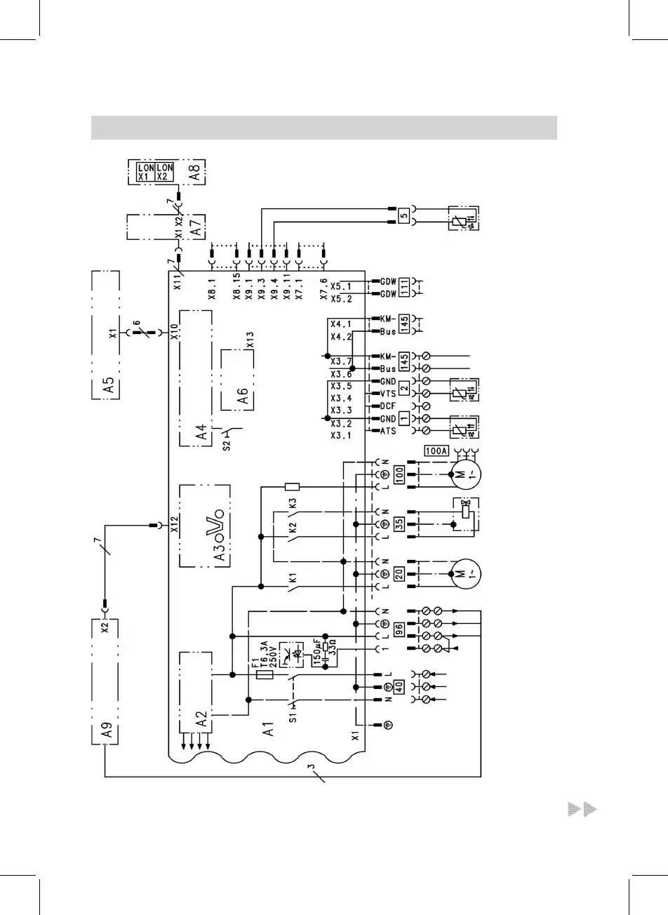
A1 Main PCB A2 Power supply unit
Connection and wiring diagrams external connections
114
Designs
5862 831 GB

Table of Contents

Other manuals for Viessmann VITOPEND 200

Related product manuals