EasyManua.ls Logo

Viessmann VR1 22 - Installation Examples - Hydrostat 3250-Plus

Viessmann VR1 22
52 pages
Print Icon
To Next Page IconTo Next Page
To Next Page IconTo Next Page
To Previous Page IconTo Previous Page
To Previous Page IconTo Previous Page
Loading...
41
5583 571 - 05
Vitorond 100, VR1 22 to 33, 91 to 140 Installation and Service
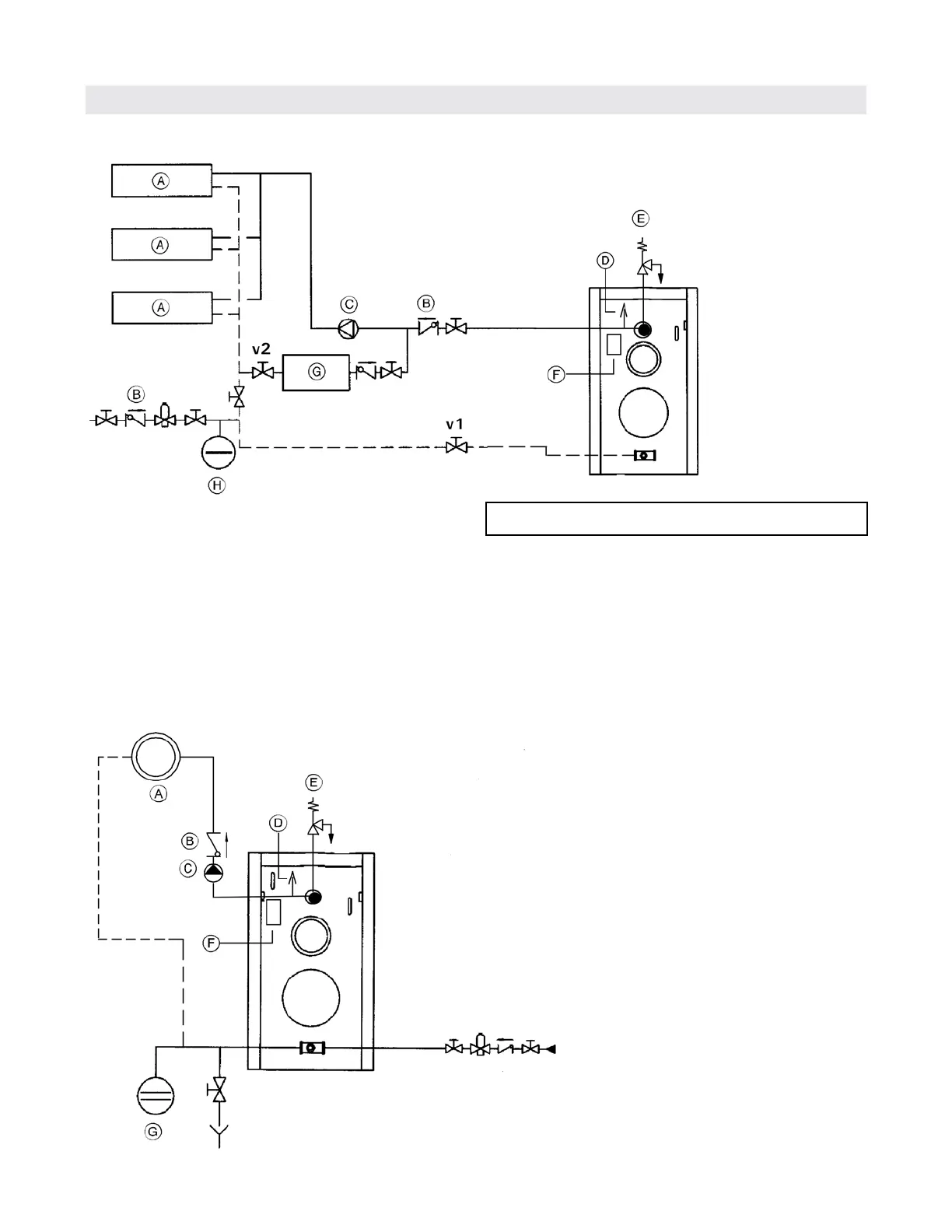
Installation Examples - Hydrostat 3250-Plus
Boiler in a heating/cooling application
Cooling season starts: close valve v1 and open valve v2
Heating season starts: close valve v2 and open valve v1
We strongly suggest that the valves be labelled “v1” and v2.”
IMPORTANT
Legend
A Heating/Cooling unit
B Spring-loaded flow check valve
C Circulation pump
D Automatic air vent,
E Pressure relief valve
F Hydrostat 3250-Plus (with low water cut-off)
G Water chiller
H Expansion tank
Legend
A Heating circuit
B Spring-loaded flow check valve
C Circulation pump
D Automatic air vent,
E Pressure relief valve
F Hydrostat 3250-Plus (with low water cut-off)
G Expansion tank
Connections

Table of Contents

Related product manuals