EasyManua.ls Logo

Viessmann WB1A007 - Page 15

Viessmann WB1A007
76 pages
Print Icon
To Next Page IconTo Next Page
To Next Page IconTo Next Page
To Previous Page IconTo Previous Page
To Previous Page IconTo Previous Page
Loading...
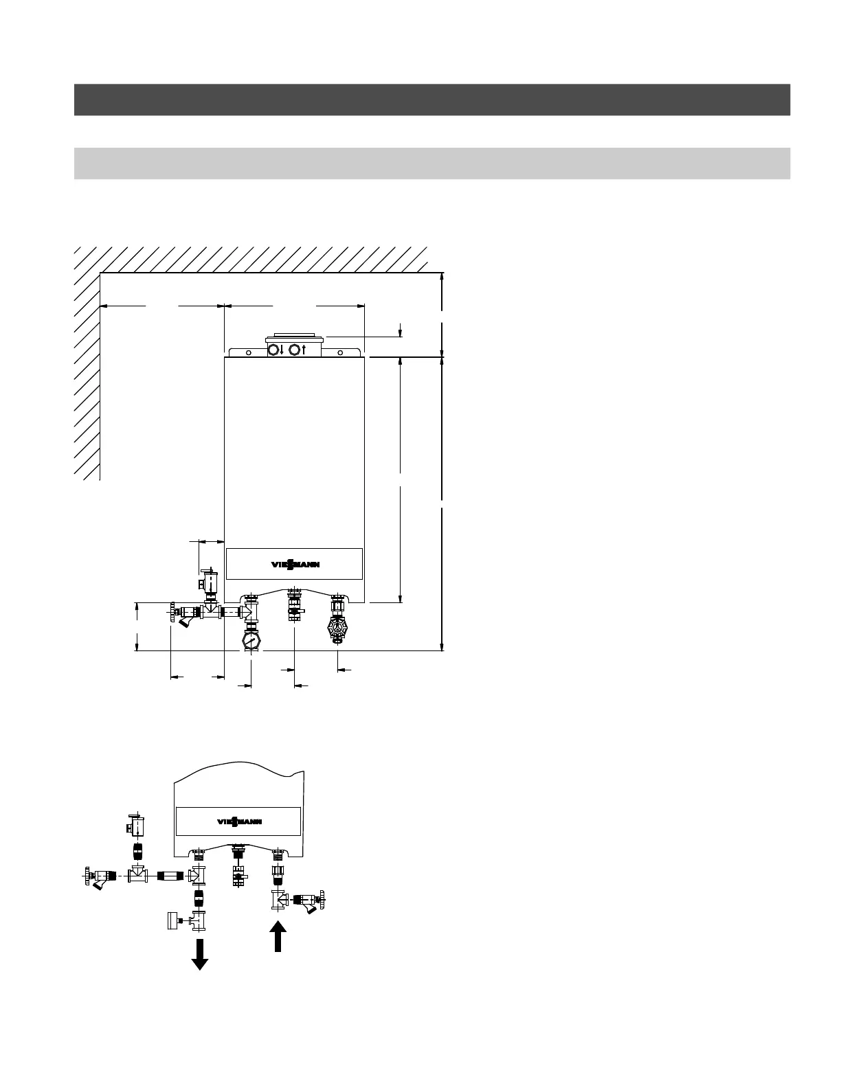
Boiler Connections
15
Preparing the Connections
(continued)
Dimensions overview with connections
This section constitutes an overview only! Refer to subsequent sections for
detailed information on individual piping connections.
Piping connections for Vitodens
100-W, WB1A 8-24 and 8-30 (factory
supplied)
Legend
BWR Boiler water return, ¾”
BWS Boiler water supply, ¾”
BD Boiler drain
BF Boiler fill
GC Gas connection, ¾” NPTM
(male thread)
PRV Pressure relief valve
PG Pressure gage
VC Venting connection
5581 775 1.3
14” /
355mm
15¾” /
400mm
2
7
/
8
/ 73mm
5
3
/
8
/ 137mm
27½” / 700mm
33” / 838mm
12” / 300mm
2¼”
or
2
7
/
16
/
58mm
or
62 mm
6” /
152mm
4
7
/
8
/
123mm
4
7
/
8
/
123mm
VC
PRV
BD
GC
PG
BF
BWS
BWR

Related product manuals