EasyManua.ls Logo

Viessmann WB1A007 - Page 32

Viessmann WB1A007
76 pages
Print Icon
To Next Page IconTo Next Page
To Next Page IconTo Next Page
To Previous Page IconTo Previous Page
To Previous Page IconTo Previous Page
Loading...
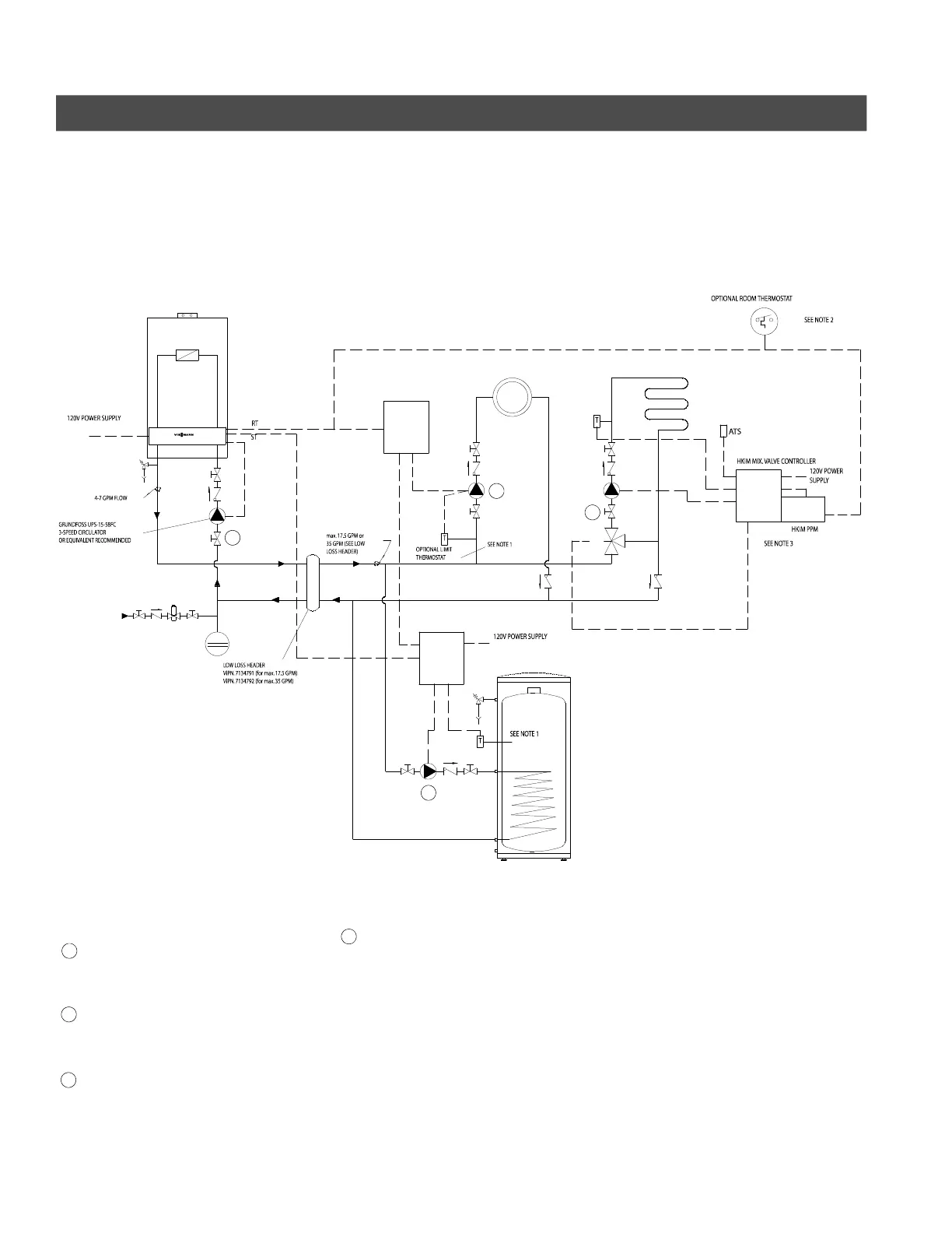
Boiler Connections
32
Installation Examples
(continued)
System Layout 4
Vitodens 100-W, WB1A 8-24, 8-30 with...
DHW storage tank
Low-loss header
one high-temperature heating circuit
one low-temperature heating circuit
Viessmann Vitotronic 050, HK1M controller
Legend
Legend
5581 775 1.3
M
O
D
I
F
N
E
B
J
H
K
C
R
G
A
Q
P
A1
B1
D1
C1
See next page for notes and
explanation of this drawing.
A1
B1
D1
C1
A Boiler power pump module
Primary pump (boiler PPM control)
(field supplied)
B Honeywell switching relay for
heating circuit E
Heating circuit pump
(field supplied)
C Honeywell switching relay for
DHW H control
DHW circulating pump (field
supplied)
D Vitotronic 050, Model HK1M
Digital indoor / outdoor heating
circuit control unit & pump control
Vi. Part No. 7134 627
Heating circuit pump (field
supplied)
E Radiator heating circuit
F Underfloor heating circuit
G Low loss header
-Max. flow 17.5 USGPM
Vi. Part No. 7134 791
-Max. flow 35 USGPM
Vi. Part No. 7134 792
H DHW indirect storage tank
I Outdoor temperature sensor
J Limit thermostat (optional)
See note 1
K DHW tank aquastat, Honeywell
Part No. L4008A1031,
Vi. Part No. 9560 985
M Mixing valve motor / control
N Mixing valve supply temperature
sensor
O Viessmann mixing valve
P Room thermostat (optional)
See note 2.
Q Vitodens 100 boiler
R Expansion tank

Related product manuals