EasyManua.ls Logo

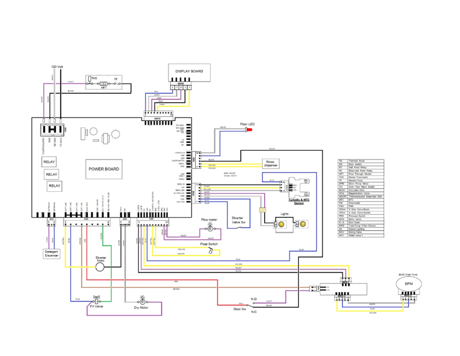
Viking FDWU324 - Wiring Diagrams - Main Board Schematics; Main Board Wiring Schematic

Viking FDWU324
41 pages
Print Icon
To Next Page IconTo Next Page
To Next Page IconTo Next Page
To Previous Page IconTo Previous Page
To Previous Page IconTo Previous Page
Loading...
Page 40 of 41 December 12, 2018
Wiring Diagrams
Main Board Diagram

Related product manuals